Реферат: Очистка сточных вод от фенола электрохимическим окислением
Введение
Одна из важнейших проблем современности — охрана биосферы от биогенных органических загрязнителей. Один из наиболее токсичных компонентов природных и сточных вод — фенол. Многообразие систем, содержащих фенолы, затрудняет подбор оптимальных способов их обезвреживания и утилизации. Это связано с тем, что, во-первых, технология полной очистки воды, как правило, диктует соблюдение особых условий, которые трудно выполнимы на практике. Во-вторых, многие эффективные способы глубокой очистки фенолсодержащих вод сопряжены с большими экономическими и ресурсными затратами, использованием дефицитных реагентов с последующей их регенерацией, утилизацией или захоронением отходов. Поиск новых эффективных способов очистки промышленных сточных вод — актуальная задача.
Глава 1. Фенол: свойства и получение
Фенолы являются одним из наиболее распространенных загрязнений, поступающих в поверхностные воды со стоками предприятий. Сброс фенольных вод в водоемы и водотоки резко ухудшает их общее санитарное состояние, оказывая влияние на живые организмы не только своей токсичностью, но и значительным изменением режима биогенных элементов и растворенных газов (кислорода, углекислого газа).
Процесс самоочищения водоемов от фенола протекает относительно медленно и его следы могут уноситься течением реки на большие расстояния, поэтому до сброса фенолсодержащие стоки подвергают достаточной очистке.
Фенольным соединением называется вещество, имеющее в своей молекуле ароматическое (бензольное) ядро, содержащую одну, две или более гидроксильных групп. Простейшим представителем фенольных соединений является сам фенол:

Фенол
В зависимости от числа ОН-групп различают одноатомные фенолы (например, вышеприведенные фенол и крезолы) и многоатомные. Среди многоатомных фенолов наиболее распространены двухатомные. Двухатомных фенолов (доиксибензолов) существует три соединения:

Пирокатехин Резорцин Гидрохинон
Как видно из приведенных примеров, фенолам свойственна структурная изомерия (изомерия положения гидроксигруппы).
Число известных фенольных соединений весьма велико. К настоящему времени их известно несколько тысяч, причем с каждым годом их число растет. Фенольные соединения принято делить на две группы:
— летучие с паром фенолы (фенол, крезолы, ксиленолы, гваякол, тимол);
— нелетучие фенолы (резорцин, пирокатехин, гидрохинон, пирогаллол и другие многоатомные фенолы).
Летучие более токсичны и обладают сильным запахом.
Обычно фенолы в естественных условиях образуются в процессах метаболизма водных организмов, при биохимическом распаде и трансформации органических веществ, протекающих как в водной толще, так и в донных отложениях. Фенольные соединения живых растительных тканей можно считать потенциально токсичными веществами, способными ингибировать рост патогенных грибов или уменьшать скорость размножения вирусов.
Фенолы являются слабыми кислотами (рКа самого фенола 9,98). Высокая реакционная способность фенолов в реакциях окисления находит техническое применение при использовании фенольных соединений в качестве ингибиторов процессов автоокисления масел и жиров и имеет большое значение в биосинтезе природных фенольных соединений. Наиболее важным свойством фенолов с точки зрения выделения и идентификации является способность к образованию солей с металлами.
За небольшими исключениями, все фенольные соединения твердые, а их цвет меняется от светло-желтого до красного, коричневого или пурпурного.
Фенолы являются одним из наиболее распространенных загрязнений, поступающих в поверхностные воды со стоками предприятий нефтеперерабатывающей, сланцеперерабатывающей, лесохимической, коксохимической, анилинокрасочной промышленности, в результате лесосплава, а также со стоками гидролизной промышленности (переработка непищевого растительного сырья целлюлозно-бумажной и отчасти текстильной промышленности).
В сточных водах промышленных предприятий содержание фенолов может превосходить 5-10 г/л при весьма разнообразных сочетаниях, при том что предельно допустимая концентрация фенолов в питьевой воде и воде рыбохозяйственных водоемов составляет 1 мкг/л.
Особенно велики концентрации фенола в стоках коксохимичесих заводов — до 20 г/л, а современный коксохимический завод сбрасывает в сутки в водоемы до 4-10 т фенола.
Превышение естественного фона по фенолу может служить указанием на загрязнение водоемов. В загрязненных фенолами природных водах содержание их может достигать десятков и даже сотен микрограммов в 1 литре.
Вода водоема приобретает окраску, специфический запах карболки, покрывается флуоресцирующей пленкой, мешающей естественному течению биологических процессов в водоеме.
При концентрациях 75 мг/л фенол тормозит процесс биологический очистки в водоеме, при концентрации 0,01-0,1 мг/л в мясе рыб появляется неприятный привкус; неприятный вкус и запах воды исчезают только при разбавлении фенола до концентрации 0,11 мг/л.
В поверхностных водах фенолы могут находиться в растворенном состоянии в виде фенолятов, фенолят-ионов и свободных фенолов.
Фенолы в водах могут вступать в реакции конденсации и полимеризации, образуя сложные гумусоподобные и другие довольно устойчивые соединения. В условиях природных водоемов процессы адсорбции фенолов донными отложениями и взвесями играют незначительную роль.
Сброс фенольных вод в водоемы и водотоки резко ухудшает их общее санитарное состояние, оказывая влияние на живые организмы не только своей токсичностью, но и значительным изменением режима биогенных элементов и растворенных газов (кислорода, углекислого газа).
В результате хлорирования воды, содержащей фенолы, образуются устойчивые соединения хлорфенолов, малейшие следы которых (0,1 мкг/дм3 ) придают воде характерный привкус и запах.
В токсикологическом и органолептическом отношении фенолы неравноценны. Летучие с паром фенолы более токсичны и обладают более интенсивным запахом при хлорировании. Наиболее резкие запахи дают простой фенол и крезолы.
Фенол и фенольные соединения широко используются на различных производствах. Если на предприятии работать с чистыми соединениями фенола в больших количествах и вне специально предназначенных для этого помещениях, то, согласно ГОСТу, они могут вызывать аллергию, астму, экзему. Проявляется же заболевание не сразу, а через недели и месяцы ежедневного контакта с чистыми соединениями в неприспособленных условиях.
Присутствие фенолов в атмосферном воздухе, по исследованиям специалистов, ведет, кроме того, к заболеваниям системы кровообращения.
Очень токсичным являются нитрофенольные соединения — нитроцен (продукт каменноугольных фенолов), динитрофенол и др.
Эти соединения используют как инсектициды, фунгициды и гербициды. Влияя на окислительные процессы в тканях, они вызывают диссоциацию окислительной форсоризации, что, в свою очередь, усиливает процессы клеточного окисления, увеличивает потребность тканей у кислороде и нарушает теплопродукцию и терморегуляцию.
В водоемах ПДК для фенола установлена 0,001 мг/л. Так, содержание фенолов в воде на мелководных участках Каспийского моря — одного из самых загрязненных фенолом водоема — достигало 8 мкг/л. Среднее содержание фенолов в воде Северного Каспия достигает 6 мкг/л, а характерное для вод этого района среднее значение составляет 3 мкг/л.
Согласно данным специалистов, средняя концентрация фенолов в воде Северного Каспия увеличилась за последнее время до 6 ПДК (0.006 мг/л). Среднее значение содержания фенолов, отмеченное в период с 1995 по 2000 г.г., менялось от 3.0 мкг/л до 9.0 мкг/л. Максимальные концентрации 30.0 мкг/л были отмечены в морской части устья реки Урал и в Уральской бороздине.
Глава 2. Очистка фенолсодержащих сточных вод
Предприятия нефтехимической и нефтеперерабатывающей промышленности являются, как правило, достаточно крупными потребителями воды, которая имеет многоцелевое назначение, в том числе используется для технологических операций, приготовления различных растворов, необходимых для выработки продукции, нагревания и охлаждения продуктов, мойки технологического оборудования и т. д. Общей характерной особенностью сточных вод (СВ) предприятий указанного профиля является наличие в стоках широкого ассортимента растворенных в воде органических веществ, в том числе нефтепродуктов и фенолсодержащих соединений. При отсутствии на предприятии надлежащей очистки сточных вод возрастают антропогенные нагрузки на окружающую среду, связанные с характером промышленной деятельности предприятий.
Традиционно используемые технологические схемы и очистное оборудование большинства заводов к настоящему времени морально и физически устарели и не обеспечивают возросших требований к качеству очищенной воды, поэтому усовершенствование технологий по очистке СВ от фенола с использованием эффективных комплексных решений, позволяющих достичь нормативных требований к качеству очищаемой воды при всей совокупности сопутствующих фенолу загрязнений, является актуальной задачей.
При обследовании существующего производства были отобраны пробы фенолсодержащих сточных вод, которые сливаются в химически загрязненную канализацию после обследуемого цеха и пробы сточных вод на выходе с локальных заводских очистных сооружений, поступающих на дальнейшую очистку.
Результаты анализов реальных проб, выполненных в аналитической лаборатории ЗАО «БМТ», представлены в табл. 1. Как видно из табл. 1, в сточных водах существуют значительные превышения норм ПДК на слив в канализацию по фенолам, азоту аммонийному, нефтепродуктам. Это обстоятельство определяет высокие штрафные санкции за превышение концентраций фенола в сточных водах предприятия.
Таблица 1: Результаты анализов производственных стоков
№ п/п | Наименование показателей | Ед. изм. | Исходный состав СВ | Состав после ОС | Требования на слив в канализацию | |
| от 8.08.07 от 19.08.07 | ||||||
| 1. | Водородный показатель | ед.рН | 7,45 | 6,56 | 7,55 | 6,5 6,5 — 8,5 |
| 2. | Щелочность | мг-экв./л | 1,9 | 1,7 | 6,0 | - |
| 3. | Сульфаты(SO4 2- ) | мг/л | 9,0 | 9,3 | 85 | 175 |
| 4. | Железо общее | мг/л | 0,52 | 0,3 | 0,88 | 0,3 |
| 5. | Фенол | мг/л | 34,0 | 24,0 | 8,0 | 0,5 |
| 6. | Натрий | мг/л | 49,0 | 40,2 | - | - |
| 7. | ХПК | мгО2 /л | 1460 | 803 | 1065 | - |
| 8. | Азот аммонийный | мг/л | 70,0 | 48,0 | 5 | 17 |
| 9. | Нефтепродукты | мг/л | 1,1 | 21 | 56,0 | 2,0 |
| 10. | Мутность | мг/л | 8,0 | 4,2 | 55,0 | - |
| 11. | Сухой остаток | мг/л | 250 | 210 | 850 | - |
Таблица 2: Результаты экспериментов очистки СВ от фенола различными методами
| № п/п | Наименование метода очистки | Степень очистки, % |
| 1. | Окислительные, в т. ч: — пероксидом водорода на катализаторе сидерит FeCO3 — озоном — гипохлоритом натрия | 35-50 12-46 до 65 |
| 2 | Сорбционные методы — полимерный сорбент Уремикс-913 (модифицированный ППУ) — уголь активированный HydroffinCC12*40 | 16-25 97,7-98 |
| 3. | Метод обратного осмоса (при рН ≥ 10) | 85-90 |
| 4 | Электрохимические методы — электрокоагуляция — электрофлотодеструкция (с добавлением раствора поваренной соли) | 70-75 99-100 |
В ходе экспериментальных работ изучено влияние различных факторов на эффективность очистки реальных СВ по всем отмеченным выше направлениям. Исследования проводилось на лабораторных установках в широком диапазоне изменения основных параметров типовых процессов. Сравнительные данные по степени очистки в оптимальных режимах при концентрации фенолсодержащих соединений в исходных стоках 24-65 мг/л представлены в табл. 2.
Учитывая, что сточные воды НХЗ содержат большой спектр загрязняющих веществ, кроме фенола, результаты постадийной обработки позволили предложить комплексную технологическую схему для очистки по всему спектру примесей. Ниже представлены результаты лабораторных исследований по основным стадиям комплексной очистки.
Обратноосмотическое обессоливание. Для очистки сточных вод непосредственно от фенола метод обратного осмоса широко не применяется, так как обратноосмотические мембраны имеют низкую селективность по фенолу (до 65%). Но в сточных водах цеха НХЗ фенол находится в основном в форме фенолята натрия, который относительно хорошо задерживается мембраной. Экспериментальные работы по мембранной очистке СВ проводились на лабораторной установке, схема которой представлена на рис.1.
Е — емкость исходной сточной воды
Н — насос
Р1, Р2- манометры
ММ — модуль мембранный

Рис.1: Принципиальная схема лабораторной установки
Описание работы установки
Исходная сточная вода из емкости Е насосом Н подавалась на модуль мембранный ММ, где под действием рабочего давления происходило разделение на фильтрат, который собирался в отдельную емкость и концентрат, который возвращался в исходную емкость для концентрирования. Давление регистрировалось манометрами Р1 и Р2.
Условия проведения эксперимента. Тип мембранного элемента – обратноосмотический АК 2540 ТF (или аналог HydronauticsESPA 1-2540), материал мембраны – полиамид,
Площадь фильтрации 3 м2
Давление на входе Р1 10 атм.
Рабочая температура разделяемого раствора, не более 300С
Скорость потока над мембраной 0,2 м/с
Удельная производительность при температуре 250С 30 л/м2 в час;
Задерживающая способность по 0,15%-ному раствору хлорида натрия 99%.
Определялась величина задерживающей способности мембраны от величины рН исходной воды. Корректировка рН проводилась 20%-ным раствором едкого натрия. Работа проводилась на двух типах растворов: а). модельный раствор – приготовлен на дистиллированной воде с содержанием фенола 35 мг/л; б). сточная вода цеха НХЗ с содержанием фенола 24 мг/л.
На рис.2 представлены графики зависимости селективности (задерживающей способности) от величины рН раствора подаваемого на мембрану. Как видно из представленных данных, задерживающая способность используемой мембраны по фенолу зависит от величины рН и изменяется от 70% (при рН — 4,5) до 86 % (при рН -10,5). Увеличение задерживающей способности мембраны при повышении рН объясняется тем, что при добавлении раствора щелочи фенол переходит в фенолят натрия. На модельном растворе получена аналогичная зависимость селективности от значения рН. Более высокая селективность мембраны на образце сточных вод, по-видимому, объясняется присутствием в ней различных форм фенола, имеющих более высокую молекулярную массу (крезол, пирогаллол, нафтолы и т.п.). Следует отметить, что даже при максимальном значении рН полученная селективность мембраны (86%) не обеспечивает требуемое качество очистки стоков.

Рис. 2: Зависимость задерживающей способности (селективности) мембраны от величины рН исходных стоков
Электрохимические методы (электрокоагуляция, электрофлотодеструкция)
Электрокоагуляция. Экспериментальные работы по очистке сточных вод цеха НХЗ и заводских очистных сооружений от фенола методом электрокоагуляции проводились на лабораторной установке, включающей в себя электрокоагулятор ЭК (ЭФД), выпрямитель постоянного тока ВАК, емкости исходного и очищенного продуктов. Принципиальная схема лабораторной установки представлена на рис.3
Е1- емкость дляисходной сточной воды
ЭК — электрокоагулятор
ВАК — выпрямитель постоянного тока
Е2- емкость для очищенной воды

Рис.3: Принципиальная схема лабораторной установки электрохимической обработки СВ
Электрокоагулятор – аппарат для электрохимической обработки СВ объемом — 0,5 л, внутри которого располагался электродный блок с пакетом растворимых алюминиевых электродов (катодов и анодов), соединенных медными проводами с выпрямителем постоянного тока марки ВЛА — 111. Расстояние между электродами — 10 мм.
В результате электрокоагуляции в аппарате ЭК осуществлялся ряд процессов:
изменение дисперсного состояния примесей за счет их коагуляции при введении потенциалобразующих ионов алюминия, образующихся при электрохимическом растворении электродов и способных притягивать к себе фенолят-ион;
сорбция примесей на поверхности электролитически получаемого оксида и гидроксида алюминия.
Исходная сточная вода из емкости Е1 с определенным расходом подавалась в электрокоагулятор ЭК. После электрохимической обработки раствор направлялся в приемную емкость Е2, куда добавлялась определенная доза флокулянта марки ПРАЕСТОЛ 2640 для улучшения процесса хлопьеобразования. В опытах менялась величина токовой нагрузки и, таким образом, изменялось количество электролитически получаемого алюминийсодержащего коагулянта и, соответственно, степень очистки от фенола.
Электрофлотодеструкция
Эксперименты по очистке сточных вод НХЗ проводились на лабораторной установке, принципиальная схема которой аналогична схеме на рис. 3. Совместный метод электрофлотации-деструкции обеспечивает изменение физико-химических и фазово-дисперсных характеристик загрязнений при наложении на дисперсную систему электрического поля с целью извлечения из воды загрязняющих примесей, в том числе углеводородов (нефтепродуктов), а также электрохимической деструкции и окисления органических соединений, в частности, фенолов.
При электрофлотодеструкции на электродах происходит интенсивное газообразование: на анодах образуется кислород и, частично, активный хлор (в растворе), на катодах – водород, под действием которых происходит деструкция и окисление органической составляющей загрязнений. Существенное влияние на эффективность электрофлотации оказывает газонаполнение обрабатываемой жидкости и величина отрывного диаметра пузырьков водорода. Эти факторы определяются поверхностью электрода. Поэтому при электрофлотации целесообразно применять катоды с развитой поверхностью в виде металлических сеток. Флотошлам удаляется с зеркала воды и сливается в емкость для сбора флотошлама.
Таблица 3: Результаты экспериментальных работ по очистке СВ методом электрокоагуляции
№ п/п | Наименованиеметода очистки | Концентрация, мг/л | Степень очистки,% | Условия эксперимента | ||
| фенол | НП | от фенола | от НП | |||
| Сточная вода после заводских ОС | 8 | 56 | - | - | ||
| . | Электрокоагуляция№ 1 | 5,9 | 7,9 | 26,25 | 85,9 | Анодная плотность тока- 0,5А/дм2, время 15 мин. |
| 2 | Электрокоагуляция №2 (после сорбции на Уремикс-913) | 2,5 | 1,61 | 68,8 | 97,1 | Ан. плотность тока 1,0 А/дм2, время 15 мин. |
| Сточная вода НХЗ | 24 | 0,21 | - | - | ||
| 3. | Электрокоагуляция№ 3 | 18 | - | 25 | - | Анодная плотность тока 1,0А/дм2, время -15 мин., 30мин |
| 4. | Электрокоагуляция№ 4 | 7,2 | - | 70 | - | Анодная плотность тока 1,0А/дм2, время 30 мин. |
Для процесса образования окислителя – активного хлора необходимо присутствие в исходной сточной воде достаточного количества хлорид-ионов. В схеме очистки дополнительно был предусмотрен узел приготовления раствора хлорида натрия и дозирование его в исходную сточную воду. Концентрация раствора хлорида натрия – 20%. Для его приготовления использовалась поваренная соль. Концентрация хлорид-ионов в сточной воде после узла дозирования – 0,6 — 3 г/л. Технические характеристики электрофлотодеструктора: объем электрофлотодеструктора – 0,5л; аноды – малоизнашивающиеся ОРТА (титан с анодноактивным покрытием из оксида рутения); катоды — сетчатые с шагом 3мм, материал — Ст. 3; материал корпуса – ПВХ. В ходе эксперимента варьировались значения основных параметров — анодной плотности и времени проведения процесса. Результаты экспериментов при концентрации фенола в сточной воде 68,5 мг/л отражают зависимости на рис. 4-5.

Рис. 4: Зависимость степени очистки СВ от величины анодной плотности тока (iа )

Рис.5: Зависимость концентрации фенола в сточных водах от времени обработки при 1. iа = 0,5 А/дм2; 2. iа = 0,75 А/дм2; iа = 0,75 А/дм2, 3. iа = 1,0 А/дм2
Характер зависимостей показывает, что наивысшая степень очистки достигалась при плотности тока 1А/дм2 и при времени протекания процесса 25 минут. Однако, для обеспечения конечной концентрации фенола в очищенной воде не более 0,5 мг/л возможно проведение процесса в более энергосберегающих условиях: при плотности тока iа — 0,75 А/дм2 за время t — 25 мин. или при плотности тока iа — 1А/дм2 за время t — 15 минут. В результате введения перед электрохимической обработкой узла дозирования раствора поваренной соли в очищенной от фенола сточной воде повышается солесодержание. С целью более полной очистки СВ от сопутствующих примесей, содержащихся в стоках НХЗ, и для обессоливания воды до нормативных показателей, в схему очистки необходимо ввести узел мембранного обессоливания — обратного осмоса.
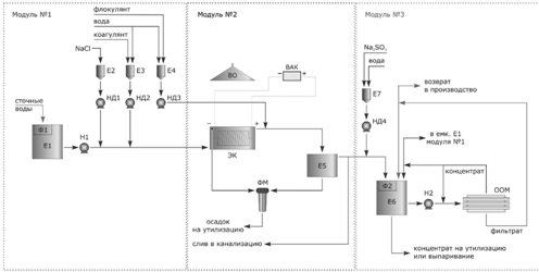
1. Модуль предочистки включает емкостное и насосное оборудование: приемная емкость Е1 для исходной сточной воды, насос Н1 подачи стока на электрохимическую обработку в электрофлотодеструктор ЭК (расположен на второй тележке), емкости приготовления раствора поваренной соли, коагулянта и флокулянта Е2- Е4, дозировочные насосы НД1, НД2, НД3. В трубопровод подачи СВ на входе в электрофлотодеструктор для увеличения электропроводности раствора и улучшения процесса окисления фенола, происходящего при электрофлотодеструкции дозировался раствор поваренной соли, раствор коагулянта определенной концентрации. В емкости Е4 готовился раствор флокулянта, который дозировочным насосом НД3 дозировался в трубопровод на выходе из электрофлотодеструктора (модуль №2).
2. Модуль электрохимической обработки включает электрофлотодеструктор ЭК, выпрямитель постоянного тока ВАК, емкости для приема очищенной воды Е5 и емкость с мешочным фильтром для приема флотошлама ФМ.
Е1 — приемная емкость для исходной сточной воды
Е2- Е 4 — емкости для приготовления реагентов
Н1,, Н2 — насосы
НД1 — НД4 — насосы пропорционального дозирования
ЭК — электрофлотодеструктор
ВАК — выпрямитель постоянного тока
ФМ — мешочный фильтр
Е5 — емкость для отстаивания
Ф2 — сетчатый фильтр
Е6 — емкость модуля обратноосмотического обессоливания
Е7 — емкость для раствора пиросульфита (или сульфита) натрия
ООМ — обратноосмотический мембранный модуль

Рис.6: Схема опытно-промышленной установки очистки фенолсодержащих сточных вод
Электрофлотодеструктор – это аппарат с расположенным внутри электродным блоком с нерастворимыми анодами. Сверху над поверхностью воды было смонтировано устройство для снятия флотошлама. Через карман флотошлам стекает в мешочный фильтр ФМ. Осветленная вода по мере накопления сливалась в емкость Е5. Для интенсификации хлопьеобразования и быстрейшего осветления очищенной воды в трубопровод подачи из емкости Е4 насосом НД3 дозировался раствор флокулянта. Очищенная вода по качественному составу отвечала требованиям предприятия на слив в ХЗК, но имела повышенное солесодержание. Для организации замкнутого водооборота в состав опытно-промышленной установки был введен модуль обратноосмотического обессоливания №3.
3. Модуль обратноосмотического обессоливания. Осветленная вода после отстаивания в емкости Е5 самотеком подавалась через фильтр сетчатый Ф2 в емкость Е6 узла обратноосмотической очистки. В целях защиты мембраны от воздействия остаточного активного хлора, образующегося на узле электрофлотодеструкции, проводилась операция дехлорирования воды. С этой целью из емкости Е7 дозирующим насосом НД4 в трубопровод подавался 2% раствор пиросульфита (или сульфита) натрия. Из емкости Е6 осветленные и очищенные от фенола сточные воды насосом.Н2 подавались на обратноосмотический мембранный модуль ООМ, укомплектованный высокоселективным обратноосмотическим мембранным элементом. Очищенная вода возвращалась в производство. Концентрат поступал в емкость Е6 и по окончании концентрирования (достижения заданной концентрации солей, контроль по ручному солемеру типа DIST) он подлежал утилизации или выпариванию с получением твердых кристаллов солей. На линии фильтрата и концентрата были установлены расходомеры F2, F3 соответственно. На линии выхода концентрата из мембранного модуля был установлен манометр Р для контроля рабочего давления.
Условия испытания опытно-промышленной установки
Передвижная опытно-промышленная установка была доставлена на предприятие, смонтирована и прошла испытания в течение 32 часов при 2-х сменном режиме эксплуатации. Производительность установки -100 ± 2 л/час.
Эксплуатационные характеристики работы основных узлов опытно-промышленной установки приведены ниже.
Модуль электрохимической обработки:
Анодная плотность тока 0,3 — 0,5 А /дм2 ;
Напряжение 4 В;
Время пребывания в аппарате 20 — 25 мин;
Модуль обратноосмотического обессоливания:
Давление на входе 12,5 атм.,
Давление на выходе 10 атм.;
Степень концентрирования 4 — 6.
В ходе отработки режимов установлено, что концентрат узла обратного осмоса может быть возвращен в рецикл процесса — в емкость Е1, поскольку в нем содержатся сконцентрированные примеси хлорид-ионов в таком количестве, что отпадает необходимость в постоянной дозировке раствора поваренной соли на входе в электрофлотодеструктор или требуется существенное сокращение расходных норм реагента.
Во время работы опытно-промышленной установки осуществлялся аналитический контроль процесса очистки по содержанию фенола в отбираемых пробах. Анализы проводились специалистами разных организаций: химиком-аналитиком из ЗАО «БМТ», аналитиком из центральной заводской лаборатории НХЗ и независимым аналитиком из НИЦ по единой методике НХЗ «Вода сточная. Методика выполнения измерений массовой концентрации фенола фотометрическим методом».
Концентрацию фенола в аналитической лаборатории ЗАО «БМТ» определяли по международному стандарту ИСО 6439. Полученные данные анализов по обеим методикам показали хорошую сходимость. Как видно из табл.4, в процессе испытания опытно-промышленной установки производительностью 100 л/ч были подтверждены результаты лабораторных исследований по очистке сточных фенолсодержащих вод, а также показаны работоспособность и надежность предлагаемой комплексной технологии.
Глава 3. Очистка сточных вод от фенола электрохимическим окислением
поллютант фенол сток электрокоагуляция
Одна из важнейших проблем современности — охрана биосферы от биогенных органических загрязнителей. Один из наиболее токсичных компонентов природных и сточных вод — фенол. Многообразие систем, содержащих фенолы, затрудняет подбор оптимальных способов их обезвреживания и утилизации. Это связано с тем, что, во-первых, технология полной очистки воды, как правило, диктует соблюдение особых условий, которые трудно выполнимы на практике. Во-вторых, многие эффективные способы глубокой очистки фенолсодержащих вод сопряжены с большими экономическими и ресурсными затратами, использованием дефицитных реагентов с последующей их регенерацией, утилизацией или захоронением отходов. Поиск новых эффективных способов очистки промышленных сточных вод — актуальная задача.
В настоящее время для удаления фенола из сточных и природных вод применяют экстракцию, адсорбцию, электрохимические способы, химическое и радиационное окисление, биологическую очистку.
Электрохимические способы — одни из наиболее перспективных для очистки от органических примесей различного состава, так как при этом, как правило, не изменяется солевой состав очищенной воды, осадок не образуется или образуется в небольшом количестве. Установки характеризуются высокой производительностью, достаточно компактны, процессы управления автоматизированы.
Ниже приведены результаты, полученные при изучении влияния материала анода и давления кислорода на очистку сточных вод от фенола электрохимическим окислением (Пат. 2162822 РФ).
Исследования проводили в бездиафрагменном электролизере с анодами из графита и платины, катодом из свинца. Концентрация фенола в модельном растворе Сф = 100 мг/л, серной кислоты — 9,8 г/л. После электролиза отбиралась проба и анализировалась на содержание фенола фотоколориметрическим методом, основанным на образовании окрашенного комплекса фенола с 4-аминоантипирином. Электролиз проводился без подачи кислорода и при избыточном давлении кислорода. Полученные экспериментальные данные представлены в табл. 1.
Степень очистки на аноде из платины незначительно выше, чем на аноде из графита. Это объясняется тем что, несмотря на высокую пористость графита и низкую истинную плотность тока на электроде, скорость восстановления кислорода и образования активных кислородсодержащих частиц гораздо ниже, чем при использовании электрода из платины.
С повышением давления кислорода степень очистки фенолсодержащих вод увеличивается при использовании и платинового, и графитового анодов. Под давлением кислорода фенол окисляется в объеме раствора образующимся при восстановлении кислорода пероксидом водорода на катоде и на аноде.
Можно предположить, что при окислении фенола протекают следующие реакции:

По мере роста избыточного давления кислорода наблюдается снижение напряжения на электролизере (рис. 1).
Из экспериментальных данных видно, что с увеличением давления до 0,8 МПа напряжение заметно снижается, дальнейший его рост незначительно влияет на напряжение на электролизере.
Энергетические затраты на очистку фенолсодержащих вод приведены в табл. 2.
При проведении электролиза под давлением кислорода затраты электроэнергии снижаются за счет окисления фенола на обоих электродах и частично в объеме электролизера.
Для проведения электролиза можно использовать установку, представленную на рис. 2.
Сточные воды поступают в усреднитель, затем — в автоклав-электролизер, где происходит электрохимическое окисление. Начальное давление кислорода создается при подаче из баллона высокого давления, затем давление поддерживается выделяющимися при электролизе газами. Процесс проводят при плотности тока 100 — 200А/м2 с использованием анодов из графита или платины под давлением кислорода 0,8 — 1,0 МПа. Расход электроэнергии составляет 0,015 — 0,018 кВтч/г.

Литература
1. Гейтс Б.К. Химия каталитических процессов. М., 1981
2. Боресков Г.К. Катализ. Вопросы теории и практики. Новосибирск, 1987.
3. Ганкин В.Ю., Ганкин Ю.В. Новая общая теория катализа. Л., 1991
4. Токабе К. Катализаторы и каталитические процессы. М., 1993.
5. Матрос Ю.Ш., Носков А.С., Чумаченко В.А. Каталитическое обезвреживание отходящих газов промышленных производств. Новосибирск: Наука, 1991.
6. Исмагилов З.Р., Хайрулин СР., Керженцев М.А. н др. Реактор с кипящим слоем катализатора для процесса прямого окисления сероводорода в элементарную серу. Создание опытно-промыптленной установки на Бавли-нской УСО // Катализ в промышленности. 2004, специальный выпуск.
7. Кленов О.П., Гогин ЛЛ., Носков А.С. Каталитический метод производства тешюэнергии из низкоконцентрированных газов. Теплоэнергетика. 2000. № 1.
8. Овчинникова Б.В., Чумаченко В.А., Пирютко Л.В. и др. Двухстадийная каталитическая очистка нитрозных газов в производстве адипиновой кислоты // Катализ в промышленности. 2008 (в печати).
9. Dobrynkin N.M., Batygina M.V., Noskov A.S. Solid Catalysts for Wet Oxidation of Nitrogen-Containing Organic Compounds // Catalysis Today. 1998. V. 45. №. 1 — 4.