Реферат: Расчет и подбор ректификационной колонны для разделения смеси ацетон-метанол

Московская государственная академия тонкой химической технологии

им. М.В Ломоносова

Кафедра ПАХТ

Расчет ректификационной установки

Студент группы ХТ-301

Нуколов В.Ю.

Преподаватель: Сайфулин Д.М.

Москва 2002


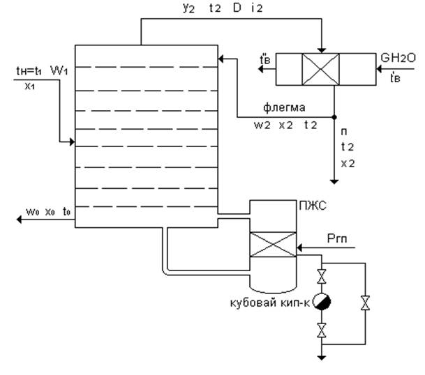
Схема ректификационной установки непрерывного действия

Исходные данные:

Ацетон-Метанол

Ацетон – легко кипящий компонент (ЛКК)

Метанол – тяжело кипящий компонент (ТКК)

W1 = 8000 (кг/час)

а1 = 36.0 (%вес)

а0= 5.0 (%вес)

а2 = 85 (%вес)

Pгп = 3.0 (ата)

tн = t1

Ma = 58 (г/моль)

Mв = 32 (г/моль)

Материальный баланс процесса

Перевод весовых концентраций в мольные:

X1 = (а1 /Ma)/(a1 /Ma)+(1-a1 /Mв) = 0.24 мд = 24 (% мольн)

X0= (а0/Ma)/(a0/Ma)+(1-a0/Mв) = 0.028 мд = 2.8 (% мольн)

X2 = (а2 /Ma)/(a2 /Ma)+(1-a2 /Mв) = 0.76 мд = 76 (% мольн)

W1 = W0+ П

W1 *X1 = W0*X0+ П*X2

1/M1 =a1 /Ma + (1-a1 )/Mв = 0.0262 => М1 = 38.17 г/моль

W1 [кг/час] = 2.2[кг/сек]

W1 [кмоль/сек] = W1 [кг/сек]/M1 = 0.058 кмоль/сек

W0= W1 *(X2 -X1 )/(X2 -X0) = 0.041 кмоль/сек

П =W1 *(X1 -X0/X2 -X0) = 0.017 кмоль.сек

Проверка баланса:

W1 = W0+ П = 0.058 кмоль/сек => баланс сошелся

Построение рабочих линий процесса

x

5

10

20

30

40

50

60

70

80

90

100

-

y

10,2

18,6

32

42,8

51,3

58,6

65,6

72,5

80

-

100

80

t

64,5

63,6

62,5

60

58,7

57,6

56,7

56

55,3

55,05

-

56,1

55,03

y = y2/(R + 1) + R/(R + 1) * x (R = W/П)

y = y2/(R + 1) + R/(R + 1) * x y = y2/(R + 1) + R/(R + 1) * x

y = x (I) x = 0 (II)

Решив системы (I) и (II) получим:

x = y2

b = y2 /(R + 1)

Rmin = (y2 – y1 )/(y1 –x1 ) = 3 => R = 1.3 * Rmin + 0.3 = 4.2 => b = 0.15

Определение числа теоретических тарелок в укрепляющей и отгонной колоннах

Nтеор(у.к) = 18

Nтеор(о.к) = 7

Определение числа действительных тарелок

Xср = (X1 + X2 )/2 = 0.5 мд

=> Yср = 0.58 мд

=> tср = 56 0С

ср(у.к) = (Yср – (Yср * Xср))/(Xср –(Yср * Xср)) = 1.38

tср = 56 0С => (ПРН)

=> ацет = 0.236 сП; мет = 0.385 сП

см = (ацет ^ Xср) * (мет ^ (1-Xср)) = 0.3 сП

[ср(у.к) * см] = 0.414

т(у.к) = 0.51 – 0.325 * Lg[ср(у.к) * см] = 0.63

Nдейств(у.к) = Nтеор(у.к)/ т(у.к) = 28.6 принимаем 29

Xср = (X0+ X1 )/2 = 0.134 мд

=> Yср = 0.24 мд

=> tср =61 0С

ср(о.к) = (Yср – (Yср * Xср))/(Xср –(Yср * Xср)) = 2.08

tср = 61 0С => (ПРН)

=> ацет = 0.23 сП; мет = 0.351 сП

см = (ацет ^ Xср) * (мет ^ (1-Xср)) = 0.33 сП

[ср(о.к) * см] = 0.69

т(о.к) = 0.51 – 0.325 * Lg[ср(о.к) * см] = 0.56

Nдейств(о.к) = Nтеор(о.к)/ т(о.к) = 12.5 принимаем 13

Определение диаметра колонны

Д = П(R + 1) = 0.088 кмоль/сек

Д * 22.4 *((273 + t2 )/273) * 1/Pраб = (ПDк^2)/4 * Wп

Y2 = X2 => t2 = 550C

Wп = 0.059SQR(ж/п * hт) hт = 0.4м

1/ж = a2 /ацет + (1 – а2 )/мет = 1.24 * 10^(-3)

ж = 808 кг/м3

п = P/RT = 2.2 кг/м3

Wп = 0.72 м/сек

Dк(в) = 2.05 м

Д * 22.4 *((273 + t2 )/273) * 1/Pраб = (ПDк^2)/4 * Wп

t0= 64.20C

Wп = 0.059SQR(ж/п * hт) hт = 0.4м

1/ж = a0/ацет + (1 – а0)/мет = 1.25 * 10^(-3)

ж = 800 кг/м3

п = P/RT = 1.18 кг/м3

Wп = 0.97 м/сек

Dк(н) = 1.79 м

Dк(в) = 2.05 м

Dк(н) = 1.79 м => Dк = 2050мм

Hраб = (Nдейств – 1) * hт = 16.4 м


Тепловой баланс колонны

Qрект + W1 q1 + Wq2 =Дi2 + W0q0

Д = П(R + 1) W = ПR i2 = q2 + r2

Qрект = ПR r2 + Пi2 + W0 q0–W1 q1

t0= 64.20C => Cацет = 0.56 * 4.19 * 58 = 136.1 кДж/кмоль К

Смет = 0.65 * 4.19 * 32 = 87.2 кДж/кмоль К

С0= Cацет * X0+ Смет * (1- X0) = 88.6 кДж/кмоль К

q0= C0* t0= 5688.12 кДж/кмоль

r2 = rацет * y2 + rмет (1 – y2 )

t2 = 55 0C => rацет = 519.6 кДж/кг

rмет = 1110.4 кДж/кг

r2 = 31431.8 кДж/кмол

С1 = Сацет * Х1 + Смет (1 – Х1 ) = 98. 9 кДж/кмоль К

С2 = Сацет * Х2 + Смет (1 – Х2 ) = 124. 4 кДж/кмоль К

i2 = q2 + r2 = C2 * t2 + r2 = 38273.8

q1 = C1 * t1 = 5835.1 кДж/кмоль К

Qрект = 2790 кДж/сек

Qконд = Д * r2 = П * (R +1) * r2 = 2778.57 кДж/сек

Проверяем: Qрект = Qконд верно

Поверхность кубового кипятильника

Pгп = 3 ата => tгп = 132.90C

t0= 64.20C

t = tгп — t0= 68.70C

Fкуба = Qрект/Куба*t= 36.9 м2

Dгп = 1.05* Qрект/r гп = 1.35


Конденсатор

Gводы = Qконд / (Своды * (tв’’ – tв’)) = 33.16 кг/сек

t = (1 -2 )/ Ln(1 /2 ) = 33.9 0C

F = Qконд / Kконд * t = 117м2

еще рефераты
Еще работы по химии