Реферат: Розрахунок реактора
ЗМІСТ
Вступ
1.Теоретична частина
1.1Класифікація устаткування
1.2Вимоги до устаткування
1.3Порядок розрахунку апаратури
1.3.1Технологічний розрахунок
1.3.2Тепловий розрахунок
1.3.3Гідравлічний розрахунок
1.3.4Енергетичний розрахунок
1.3.5Механічний розрахунок
2.Практична частина
2.1 Матеріальний баланс
2.2 Розрахунок теплового балансу
2.3 Розрахунок апарата
2.3.1Розраховуємо кількість сировини на одне завантаження
2.3.2 Розраховуємо обсяг реакційної маси
2.3.3 Об’єм апарата
2.4 Розрахунок обичайки
2.5Розрахунок днища
Список літератури
Вступ
Контрольна робота з дисципліни «Устаткування галузі і основи проектування ».
Донедавна в розвитку хімічної промисловості переважаючу роль грала розробка принципово нових технологічних процесів. Виникали нові й удосконалювалися старі виробництва, при цьому вони ґрунтувалися на принципово нових хімічних реакціях. В даний час у розвитку хімічної промисловості усе більшого значення набуває удосконалювання апаратури. Нові хімічні апарати мають велику продуктивність, легше обслуговуються завдяки застосуванню автоматики і дозволяють одержувати більш якісну продукцію.
Виникнення сучасних хімічних апаратів багато в чому зобов'язано появі нових матеріалів (металевих і неметалевих): титанових, цирконієвих, теплостійких і корозийностійких керамічних матеріалів, пластичних мас.
Але розвиток хімічної техніки не можна розглядати у відриві від розвитку хімічної технології, точніше – хімічних процесів. Закони діалектики і тут виявляються з найбільшою силою: нові апарати породжують нові процеси. Так народилася плазмохімія, процеси з застосуванням лазерного випромінювання, радіаційна хімія і ін., що характеризуються принципово новими хімічними взаємодіями.
Мета роботи – на основі одержаних теоретичних знань вирішити практичне завдання по розрахунку реактору.
1. Теоретична частина
1.1 Класифікація устаткування
По призначенню і принципові дії устаткування підрозділяють на:
1) машини – механізми або їхнє сполучення, що здійснюють визначені доцільні рухи для перетворення енергії або здійснення роботи (компресори, насоси, дробарки, транспортери і т.д.);
2) апарати – пристрою, призначені для проведення хімічних, фізико-хімічних, теплових і гідромеханічних процесів ( у які механічні процеси відіграють другорядну роль).
По областях застосування і масштабам виробництва устаткування поділяють на:
1) універсальне – типове устаткування, використовуване в багатьох виробництвах хімічної промисловості (компресори, насоси, теплообмінники, фільтри, центрифуги і т.д.) – масове виробництво;
2) спеціалізоване – призначено для одного або декількох близьких по типу виробництв ( абсорбери, випарні апарати, кристалізатори, ректифікаційні колони і т.д.) – випускається не великими серіями;
3)спеціальне – застосовують для проведення одного визначеного технологічного процесу або операції (колони синтезу аміаку, печі випалу колчедана, карбонізаційони колони і т.д.).
По ролі в виконанніпроцесу технологичне обладнання поділяють:
1) основне – машини й апарати, необхідні для проведення хімічних і фізико-хімічних процесів, у результаті яких утворюються цільові продукти. Розміри, форма і конструкція такого устаткування цілком залежать від властивостей матеріалу, що переробляється, умов і часу проведення процесу і продуктивності;
2) допоміжне – до нього відносяться мерники, напірні ємності, сховища і т.д. – тобто устаткування не чинить істотного впливу на технологічний процес і продуктивність. Їхні розміри можна варіювати у визначених межах.
За умовами роботи устаткування поділяють на:
1) періодичної дії – устаткування, у якому порція сировини завантажується в апарат, проходить ряд стадій обробки і потім з апарата вивантажуються всі речовини, що утворилися, у період завантаження-вивантаження апарат простоює. Механізація і автоматизація такого процесу утруднена. Тривалість циклу періодичного процесу завжди більше, ніж безперервної і енергетични витрати вище;
2) безперервної дії – устаткування, у якому надходження сировини і вихід продукції відбувається безупинно або систематичними порціями (напівбезперервної дії) протягом тривалого часу. При цьому немає простоїв устаткування, продуктивність апаратів вище, а енергетичні витрати нижче. В усьому об'ему апарата зберігаються постійні параметри, що дозволяє легко автоматизувати і механізувати процес.
Машини, використовувані в хімічній промисловості, підрозділяють на групи:
1) підйомно-транспортні пристрої – призначені для транспортування сипучих твердих матеріалів або штучних матеріалів у межах цеху або підприємства (транспортери, елеватори і т.д.);
2) Дробильно-розмельні машини – призначені для зменшення розмірів твердих матеріалів (дробарки, млина, бігуни, дезінтегратори);
3) змішувачі – пристрої для механічного перемішування неоднорідних твердих і рідких матеріалів з метою одержання сумішей, суспензій, емульсій;
4) гранулятори і преси – машини для збільшення розмірів часток твердих сипучих матеріалів;
5) класифікатори – машини для поділу твердих речовин за розмиром, щільностію і формою (у залежності від конструкції поділяються на сита і грохота);
6) живильники і дозатори – машини для періодичної або безперервної подачі матеріалів у заданій кількості (у залежності від конструкції і принципу дії поділяються на вагові й об'ємні);
7) машини для растарювання і затарювання матеріалів;
8) машини для транспортування газів (компресори, газодувки) і рідин (насоси). За принципом дії і конструкції поділяються на поршневі, відцентрові, вихрові, ротаційні, струминні і т.д.
Апарати в залежності від величини, що визначає їх продуктивність, поділяють на:
1) об'ємні – продуктивність визначається об'єом, а поверхня тепло- і масообміна істотної ролі не грає;
2) поверхневі — продуктивність визначається поверхнею тепло- або масообміна, а також фільтрації або відстоювання.
По технологічному призначенню апарати підрозділяються на:
1) гідромеханічні, котрі у свою чергу підрозділяються на групи:
— для поділу газових, неоднорідних систем (циклони, пилоосаджувальні камери, бризковловлювачи, тканеві і електрофільтри);
— для поділу рідких неоднорідних систем (відстійники, фільтри, центрифуги, гідроциклони, сепаратори);
— для утворення неоднорідних систем (змішувачі, апарати з киплячим завислим шаром);
2) теплообмінні – в апаратах теплообмін відбувається між різними фазами або різними технологічними потоками;
3) масообмінні – апарати, у яких основним процесом є перенос маси між різними фазами або різними технологічними потоками (абсорбери, адсорбери, десорбери, розчинювачи, кристалізатори, сушарки і реактори для гетерогенних процесів).
Реактори – апарати, призначені для проведення хімічних процесів (зміни молекулярного складу речовин). Їх поділяють на два вида:
1) реактори ідеального змішування (РІЗ) – забезпечують високу інтенсивність перемішування, зміна всіх технологічних параметрів процесу (температура, тиск, концентрація, ступінь перетворення) в усьому об'єму реактора однакова. Як правило це апарати об'ємного типу;
2) реактори ідеального витіснення (РІВ) – перемішування речовин відсутнє, зміна всіх технологічних параметрів процесу в усьому об’єму реактора неоднакова. Це апарати з фільтруючим шаром, трубчасті і шахтні печі.
По технологічному призначенню реактори поділяють на:
1) контактні апарати (конвертори) – для проведення процесів у системі Г – Г с участю твердих каталізаторів;
2) печі – реактори для проведення високотемпературних процесів;
3) реактори для проведення хімічних процесів між рідинами і твердими речовинами;
4) апарати високого тиску, їх виділяють в особливу групу, тому що вони повинні витримувати тиск до 200 МПа.
1.2 Вимоги до устаткування
Будь-яке устаткування повинне задовольняти де яким технологічним і конструктивним вимогам.
Технологічні:
1) максимальна продуктивність при мінімальних витратах (матеріалів, енергії, праці на обслуговування). Досягається підбором оптимальної конструкції і режиму роботи, що забезпечує максимальну інтенсивність роботи;
2) стійкість заданого технологічного режиму і основних параметрів процесу (Т, Р, С), точність і зручність регулювання, можливість застосування автоматизації. Забезпечується шляхом правільного вибору конструкції, установкою приладів контролю і регулювання процесу;
3) механізація та автоматизація завантаження і вивантаження;
4) конструкція апаратів повинна задовольняти вимогам техніки безпеки і промислової санітарії. Досягається за рахунок їхньої герметичності та ізоляції.
Конструктивні:
1) підбор конструкційних матеріалів і підвищення запасу міцності;
2) довговічність і надійність. Розрахунковий термін служби апаратів 10 — 12 років, він може бути збільшений шляхом використання корозійностійких матеріалів, застосування антикорозійних, антіфрікацийних і термостійких покрить і своєчасним ремонтом;
3) конструктивна досконалість. Характеризується малими габаритами і вагою апарата або машини, малої материало- і енергоємністю, а також простотою збірки;
4) транспортабельність;
5) уніфікація.
1.3 Порядок розрахунку апаратури
1.3.1 Технологічний розрахунок
Метою розрахунку є визначення розмірів апарата або числа апаратів при відомих розмірах. На основі заданої продуктивності і матеріального балансу процесу розраховують матеріальні потоки вихідних, проміжних і кінцевих речовин.
Основні розміри апарата – об'єм Yр (м3) або поверхня масо- або теплопередачі F (м2) обчислюють відповідно до норм технологічного режиму (Т, Р, С) за законами кінетики хімічних реакцій, тепло- і масообміну.
Основне рівняння для розрахунку обсягу апарата (або їхнього числа):
Yр = w * τ / n,
де: w — об'ємна продуктивність по реакційній масі, м3/с;
τ – час перебування (тривалість взаємодії) вихідних речовин в апараті для досягнення заданого ступеня перетворення, с;
n – число апаратів.
При розрахунку об'єма апаратів необхідно враховувати ступінь заповнення їх реакційним середовищем. Як правило, апарати для проведення жидкофазных процесів заповнюються не цілком з метою запобігання переливів і гідравлічних ударів. Коефіцієнт заповнення реактора розраховується по формулі:
φ = Yр / Yа,
де: Yа – повний об'єм апарата.
У залежності від конструкції апарата і типу процесу коефіцієнт складає:
1) мірники, збірники, сховища: 0,85 – 0,9;
2) реактори, розчинники, кристалізатори: 0,75 – 0,8;
3) для процесів, що протікають зі значним піноутворенням: 0,4 – 0,6.
Для підвищення надійності роботи апаратів використовується коефіцієнт запасу продуктивності α, що у залежності від конструкції апарату і типу процесу має наступні величини:
1) для простих апаратів без частин, що рухаються: 1,0 – 1,05;
2) для апаратів з внутрішніми пристроями без частин, що рухаються, працюючих при низьких (середніх) температурах і без тиску: 1,1 – 1,15;
3) для апаратів з швидкообертовими частинами, що працюють при високих температурах і тисках: 1,15 – 1,20.
З урахуванням усіх коефіцієнтів формула для розрахунку матиме вигляд:
Yа = w * τ * α/ (n * φ)
1.3.2 Тепловий розрахунок
Необхідний для визначення поверхні теплопередачі, витрати енергії, теплоносія, утрат тепла в навколишнє середовище і розрахунку теплоізоляції при заданих теплових утратах.
На підставі матеріального балансу апарата і закону збереження енергії складають тепловий баланс апарата з урахуванням усіх джерел підведення і відводу енергії. Крім того обов'язковий розрахунок теплоізоляції, оскільки для більшості апаратів температура їхньої зовнішньої стінки не повинна перевищувати 50 оС.
1.3.3 Гідравлічний розрахунок
Необхідний для визначення опору апарату протіканню газу або рідини при заданій потужності і розрахованих габаритних розмірах, а також для визначення розмірів і кількості технологічних штуцерів і патрубків.
1.3.4 Енергетичний розрахунок
Необхідний для визначення потужності привода пристроїв, які забезпечують перемішування і переміщення.
1.3.5 Механічний розрахунок
Механічному розрахункові підлягають найбільш відповідальні вузли і деталі апарата, що працюють у самих жорстких умовах під максимальними навантаженнями.. Як правило, це зварені шви обичайок, кришок і днищ апаратів, що працюють під зовнішнім або внутрішнім тиском, трубних ґрат і труб теплообмінників, лопат і валів мішалок і т.п.
2. Практична частина
У реакторі проводять процес хімічного розчинення твердої речовини «А» у розчиннику «В», узятому в надлишку α ( %) від стехіометрично необхідної кількості. Ступінь розчинення речовини «А» складає Х (%). Час хімічного перетворення τх.р.(година), час завантаження і вивантаження τдоп. (година). Потужність по речовині «А» П (т/рік).
Скласти:
-рівняння реакції,
— матеріальний і тепловий баланс для розчинення 1 т речовини «А»;
— розрахувати геометричні розміри реактора і вибрати матеріал;
— підібрати типовийреактор;
— розрахувати товщину обичайки, днища.
2.1 Матеріальний баланс
Вихідні дані:
Склад твердої речовини, % (мас):
Fe2O3 88
Cr2O3 9
H2O3
Концентрація сірчаної кислоти, % 30
Надлишок кислоти, % 25
Ступінь розчинення, %
Fe2O3 70
Cr2O3 59
При розчиненні твердої речовини протікають наступні реакції:
Fe2O3 + 3H2SO4 = Fe2 (SO4)3 + 3H2O (1)
Cr2O3 + 3H2SO4 = Cr2 (SO4)3 + 3H2O (2)
М.в.:Fe2O3 = 160 кг/кмоль; H2SO4 = 98 кг/кмоль;
Cr2O3 = 152 кг/кмоль; Cr2 (SO4)3 = 392 кг/кмоль;
Fe2 (SO4)3 = 400 кг/кмоль; H2O = 18 кг/кмоль.
Розрахунок ведемо на 1 т твердої речовини.
Зміст компонентів:
mFe2O3 = 1000 * 0,88 = 880 кг
mCr2O3 = 1000 * 0,09 = 90 кг
mH2O = 1000 * 0,03 = 30 кг.
Розраховуємо кількість прореагувавших речовин з урахуванням ступеня розчинення:
mFe2O3 = 880 * 0,7 = 616 кг
mCr2O3 = 90 * 0,59 = 53,1 кг
Розраховуємо кількість сірчаної кислоти, необхідної для розчинення:
по першій реакції:
m1 H2SO4 = 616 * 3* 98 / 160 = 1131,9 кг
по другій реакції:
m2 H2SO4 = 53,1 * 3 * 98 / 152 = 102,7 кг
Сумарна кількість прореагувавшої кислоти:
mH2SO4 = 1131,9 + 102,7 = 1234,6 кг
З обліком 25%-го надлишку необхідно подати кислоти:
mH2SO4 = 1234,6 * 1,25 = 1543,25 кг
Так як використовується 30%-ва кислота, витрата розчину кислоти складе:
m р-на H2SO4 = 1543,25 / 0,3 = 5144,2 кг
З кислотою приходить води:
mH2O = 5144,2 — 1543,25 = 3600,95 кг
Розраховуємо кількість продуктів, що утворяться в результаті реакції:
по першій реакції:
mFe2 (SO4)3 = 616 * 400 / 160 = 1540 кг
m1 H2O = 616 * 3 * 18 / 160 = 207,9 кг
по другій реакції:
m Cr2 (SO4)3 = 53,1 * 392 / 152 = 136,9 кг
m2 H2O = 53,1 * 3 * 18 / 152 = 18,87 кг
Усього реакційної води:
mH2O = m1 H2O + m2 H2O = 207,9 + 18,87 = 226,77 кг
Кількість непрореагувавших компонентів:
m Fe2O3 непр = 880 – 616 = 264 кг
mCr2O3 непр = 90 — 53,1 = 36,9 кг
mH2SO4 непр = 1543,25 — 1234,6 = 308,65 кг
Кількість води у витраті:
mH2O = mH2O сировини + mH2O з роз-на + mH2O реакц. =
30 + 3600,95 + 226,77 = 3857,72 кг
Дані розрахунку зводимо в таблицю.
Таблиця 2.1
Матеріальний баланс стадії розчинення.
| Прихід | Витрати | ||||
| Потік | кг | % | Потік | кг | % |
| 1.Сировина, | 1000 | Fe2 (SO4) 3 | 1540 | 25,07 | |
| в т.ч. | Cr2 (SO4) 3 | 136,9 | 2,23 | ||
| Fe2O3 | 880 | 14,32 | H2O | 3857,72 | 62,78 |
| Cr2O3 | 90 | 1,47 | |||
| H2O | 30 | 0,49 | |||
| 2.Розчин | 5144,2 | Fe 2O3непр | 264 | 4,3 | |
| кислоти | Cr2O3непр | 36,9 | 0,6 | ||
| в т.ч. | H2SO4непр | 308,65 | 5,02 | ||
| H2SO4 | 1543,25 | 25,12 | |||
| H2O | 3600,95 | 58,6 | |||
| Разом | 6144,2 | 100 | Разом | 6144,17 | 100 |
2.2 Розрахунок теплового балансу
По довідниках термодинамічних величин знаходимо теплоємнисть і ентальпию речовин [6, 7, 8, 9].
Таблиця 2.2
Термодинамічні властивості речовин.
| Речовина | Теплоємність, с, Дж/моль*◦С | Ентальпия, ΔН, кДж/моль |
| Fe2O3 | 103,76 | -822,16 |
| Cr2O3 | 104,52 | -1140,56 |
| H2SO4 | 138,91 | -813,99 |
| H2O | 75,3 | -285,83 |
| Fe2 (SO4) 3 | 394,5 | -2584 |
| Cr2 (SO4) 3 | 281 | -3308 |
Розраховуємо тепловий ефект реакції:
ΔНр1 = ( ΔН Fe2 (SO4)3 + 3 * ΔН H2O) — (ΔHFe2O3 + 3 * ΔHH2SO4) =
= (-2584 – 3 * 285,83 ) — (-882,16 – 3 * 813,99) = -117,36 кДж/моль
ΔНр2 = (ΔН Cr2 (SO4)3 + 3 * ΔHH2O) — (ΔHCr2O3 + 3 * ΔHH2SO4) =
= -3308 – 3 * 285,83 + 1140,56 + 3 * 813,99 = -582,96 кДж/моль
Так як обидві реакції екзотермічні, то теплоту хімічних реакцій записуємо в прихід.
Прихід тепла:
1.Теплота хімічних реакцій Q р.
Q р1 = 117,36 * 616 / 160 * 1000 = 451836 кДж
Q р2 = 582,96 * 53,1 / 152 * 1000 = 203652 кДж
Q р = Q р1 + Q р2 = 451836 + 203652 = 655488 кДж
2.Тепло, що приходить з матеріалом Q ф:
Q ф = Q Fe2O3+ Q Cr2O3 + Q H2O + Q H2SO4
Qф = (880 / 160 * 103,76 +90 / 152 * 104,52 + 3630,95 / 18 * 75,3 + 1543,25 / 98* 138,91) * 20 = (570,68 + 61,89 + 15189,48 + 2187,48) * 20 = 360191 кДж
Q прих = Q ф + Q р = 360191 + 655488 = 1075679 кДж
Витрати тепла.
1. Розраховуємо тепло, що уходить з матеріалом Q'ф:
Q'ф= Q'Fe2 (SO4)3 + Q' Cr2 (SO4)3 +Q' H2O +Q' Fe2O3+Q' Cr2O3+Q' H2SO4
Q'ф = (1540 / 400 * 394,5 + 136,9 / 392 * 281 + 3857,18 * 75,3 + 264 / 160 * 103,76 + 36,9 / 152 * 104,52 + 308,65 / 98 * 138,91) * 100 = (1518,8+98,1+16138,1+171,2 + 25,4 + 437,5) * 100 = 1838910 кДж
2. Потери тепла Q п:
Q п = Q прих * 0,05 = 1075679 * 0,05 = 53784 кДж
Q витр = Q' ф + Qп = 1838910 + 53784 = 1892694 кДж
Поскільки Q витр > Q прих, тому тепло необхідно підводити.
Q підв.= Q витр – Q прих
Q підв = 1892694 – 1075679 = 817015 кДж
Дані розрахунку зводимо в таблицю.
реактор хімічний устаткування тепловий баланс
Таблиця 2.3
Тепловий баланс стадії розчинення .
| Прихід | Витрати | ||||
| Потік | КДж | % | Потік | КДж | % |
| Qф | 360191 | 19,1 | Qф | 1839910 | 97,2 |
| Qр | 655480 | 34,7 | Qп | 53784 | 2,8 |
| Qпідв | 817015 | 43,2 | |||
| Разом | 1892694 | 100 | Разом | 1892694 | 100 |
По таблиці 2.1 [11] вибираємо сталь високолеговану корозийностійку, жаростійку і жароміцну марки ОХ17Т.
2.3 Розрахунок апарата
Вихідні дані:
Потужність П 200 т/рік
Час розчиненняτ х.р. 19 год.
Додатковий час τдод. 3 год.
Коефіцієнт заповнення апарата φ 0,7
Коефіцієнт запасу продуктивності α 1,15
2.3.1 Розраховуємо кількість сировини на одне завантаження
Час переробки однієї порції сировини складе:
τ = τ х.р + τдод = 19 + 3 = 22 год.
При роботі апарата 330 днів у рік (з обліком ППР), маса твердої сировини, що завантажується, складе:
m = 200000 * 22 / 330 * 24 = 555,6 кг
З розрахунку матеріального балансу на 1т твердої сировини необхідно подати 5144,2 кг розчина кислоти.
Кількість вихідної сировини на одне завантаження:
m исх.= 555,6 + (555,6 * 5144,2 / 1000) = 3413,7 кг
2 .3.2 Розраховуємо обсяг реакційної маси
Щільність сировини (ρ), г/см3:
Fe2O3 = 5,25; Cr2O3 = 5,21; [9]
H2SO4 (30 % p-н) = 1,22.[10]
ρ тв. сиров. = 5,25 * 0,88 + 5,21 * 0,09 = 5,09, г/см 3;
V реакц.= m реаг. / ρ = 0,5556 / 5,09 + 2,8581 / 1,22 = 0,1 + 2,34 = 2,44 м3
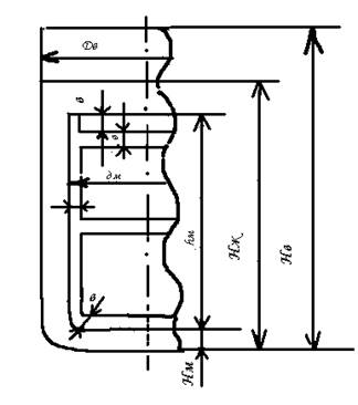
2.3.3 Об’єм апарата
V ап = Vреакц. * α / φ = 2,44 * 1,15 / 0,7 = 4 м3.
Вибираємо по таблиці 30.3 [11] зварений вертикальний циліндричний апарат з еліптичним відбортованим днищем і кришкою.
Номінальна ємність апарата Vап.= 4 м3
Внутрішній діаметрД в = 1600 мм.
Повна висота апарата Н в = 2225 мм.
Висота циліндричної частини h= 1800 мм.
Висота рівня середовища, що перемішується, в апараті:
Н ж = 1,27 (Vс – Vд) / Дв2; [м]
Vд — обсяг днища, м; по таблиці 16.1 [11]
при h1 = 40 мм. Vд = 0,617 м3
Нж = 1,27 (2,44 — 0,617) / 1,62 = 0,9 м.
По таблиці 28.1 [11] вибираємо рамний пристрій, який забезпечує інтенсивне перемішування по висоті апарату.

Рис.2.1. Схема рамного перемішуючого пристрою.
Діаметр мішалки:
d м = Д в – 2 * Н м
Н м приймаєтьсявід 25 ÷ 140 мм.
d м = 1600 – 2 * 140 = 1320 мм.
Висота мішалки:
hм приймається 0,36 від повної висоти апарату:
hм = 0,36 * Н в, мм.
hм = 0,36 * 2225 = 801 мм.
в приймається 0,07 від діаметру мішалки:
в = 0,07 * dм = 0,07 * 1320 = 92,4 мм.
2.4 Розрахунок обичайки
Розрахункова товщина циліндричної стінки, підданої внутрішньому тискові, визначається по формулі:
S' = Д в * р / (2 [σ]*φ-p) + с, м
р — розрахунковий тиск, Па
робоче середовище – рідина, тоді:
р = рс + рж
рс = 0,101 МПа
рж = 10 * ρж* Нж
ρж = 1,22 * 0,8372 + 5,25 * 0,1432 + 5,21 * 0,0147 + 1 * 0,0049 =1,854 г/см3 = 1854 кг/ м3
ρж = 10 * 1854 * 0,9 = 16690 н/м = 16,69 кПа
р = 0,101 + 0,01669 = 0,118 МПа
По таблиці 13.3 [12] приймаємо коефіцієнт міцності циліндричної стінки
φ=1,0
По таблиці 13.1 [12] допустиме напруження
[σ] = 500 МПа (для сталі ОХ17Т)
с = с1+ с2 + с3
с1 — збільшення на корозію, м
с1 = 1 мм [11]
с2 — збільшення на ерозію, м
с2 =0 [11]
с2 — збільшення на мінусовий допуск по товщині листа, м
с2 = 2 мм [11]
S' = 1,6 * 0,118 / (2 * 500 * 1,0 — 0,118) + 3 * 10-3 = 3,19 *10-3 м
ПриймаємоS = 4 мм.
Перевірка розрахунку.
S – C / Д в ≤ 0,1
(4 — 3) * 10-3 / 1,6 = 0,00063 <0,1
Умова виконується.
2.5 Розрахунок днища
По таблиці 16.1 [11]
у залежності від Д в:
h1 = 40 мм; hв = 400 мм.

Рис. 2.2. Схема еліптичного відбортованого днища.
Розрахункова товщина стінки днища S', підданого внутрішньому тискові, визначається по формулі:
S ≥ P * R / (2 * φм * [σ] — 0,5 * р) + С, м
де: R — радіус кривизни у вершині днища, м
Для еліптичного днища:
R = Д в = 1,6 м.
По таблиці 15.3 [11] коефіцієнт міцності зварних швів:
φм = 0,8
S = 0,118 * 1,6 / (2 * 0,8 * 500 — 0,5 * 0,118) + 3 * 10-3 = 0,0033 м = =3,3*10-3 м
Товщина днища повинна бути не менш товщини обичайки, розрахованої при φ = 1.
Приймаємо S = 4 мм.
Список літератури
1.Тетереков А.И., Печковский В.В. Оборудование зааводов неорганических веществ и основы проектирования. – Минск, Вышейшая школа, 1981. – 335 с.
2.Расчет и конструирование машин и аппаратов химических производств. Примеры и задачи / Под ред. Михалева М.Ф.- Л., Машиностроение, 1984. – 301 с.
3. Генкин А.Э. Оборудование химических заводов. Издание второе. – М., высшая школа, 1970. – 352 с.
4. Родионов А.И., Кузнецов Ю.П., Зенков В.В., Соловьев Г.С. Оборудование, сооружения, основы проектирования химико-технологических процессов защиты биосферы от промышленных выбросов. Учебное пособие для вузов. – М., Химия, 1985. –352 с.
5. Семидуберский М.С. Насосы, компрессоры, вентиляторы. Изд. 2-е, пер. и доп. – М., Высшая школа, 1961.- 289 с.
6. Краткий справочник физико-химических величин. /Под ред. Мищенко К.П. – Л., Химия, 1967. – 184 с.
7. Наумов Г.Б., Рыщенко В.Н., Ходаковский И.Л. Справочник термодинамических величин./ М.: Атомиздат, 1971. — 405 с.
8. Рябин В.А., Остроумов М.А., Свит Т.Ф. Термодинамические свойства веществ. Справочник./ М.: Химия, 1997. — 370 с.
9. Ефимов А.И. и др. Свойства неорганических соединений. Справочник. – Л., Химия, 1983. – 392 с.
10. Лурье Ю.Ю. Справочник по аналитической химии. Изд. 5-е, рер. и доп. – М., Химия, 1979. – 480 с.
11. Лащинский А.А., Толчинский А.Р. Основы конструирования и расчета химической аппаратуры. Справочник. – М., Машгиз, 1963. – 468 с.
12. Основные процессы и аппараты химической технологии. Пособие по пректированию. Изд. 2-е, пер. и доп./Под ред. Дытнерского Ю.И. — М., Химия. 1991. – 496 с.