Реферат: Композиционные триботехнические материалы на основе олигомеров сшивающихся смол
Дипломная работа на тему:
Композиционные триботехнические материалы на основе олигомеров сшивающихся смол
Выполнил Будько Юрий Анатольевич
Руководитель Овчинников Е.В.
Зав.кафедрой Струк В.А.
Адрес: BudzkoYuri@mail.ru
г. Гродно
Содержание
Введение 5
Глава I. Литературный обзор по теме: ’’Композиционные триботехнические материалы на основе сшивающихся смол ’’ 6
1.1. Типы композиционных материалов 6
1.2. Самосмазывающие материалы на основе сшивающихся связующих 8
1.3. Выбор типа сшивающегося связующего для изготовления материала. 11
1.4. Уникальность кремня 16
1.4.1. Непознанный кремень 16
1.4.2. Взаимодействие кремня с водой и обнаруженные при этом эффекты 17
1.4.3. Физико-химические и иные свойства кремня 18
1.4.4. Исследование термической стабильности кремня методами термогравиметрии и ДТА-анализа 19
1.4.5. Применение активированной кремнем воды в медицинской практике 21
Глава II. Методы исследования 23
2.1. Метод термического анализа 23
2.2.Определение коэффициента трения и удельного износа 26
2.3. Атомно-силовая микроскопия (АСМ) 27
2.4. Определение ударной вязкости 30
2.5. Рентгеноструктурный анализ 31
Глава III. Исследование структуры и свойств полимерных материалов, модифицированных кремнийсодержащими добавками 33
3.1. Результаты рентгеноструктурного анализа 33
3.1.1.Рентгеноструктурный анализ кремня 33
3.1.2. Рентгеноструктурный анализ ПЭНД, модифицированного кремнием 35
3.2. Стойкость полимера к термоокислению (по ДТА и ТG анализу) 40
3.3. Ударная вязкость полимера 44
3.4. Триботехнические характеристики 44
Глава IY. Технология изготовления триботехнических материалов на основе полимеров 45
4.1. Принципы создания композиционных материалов на основе полимеров 46
4.2. Изготовление изделий методом контактного формования 49
4.3. Изготовление изделий методами свободного и центробежного литья 52
4.4. Технологический регламент изготовления композиционных материалов на основе ненасыщенных полиэфирных смол 55
4.5. Механическая обработка полиэфирных материалов 57
Глава Y. Требования техники безопасности при работе с полиэфирными смолами и инициирующими добавками 62
5.1. Хранение полиэфирных смол и инициирующих добавок 62
5.2. Переработка полиэфирных смол 64
Литература 68
Введение
Развитие современного машиностроения невозможно без решения многих проблем в области полимерного материаловедения, играющих роль в обеспечении надежности и долговечности машин и механизмов, приборов и различных устройств.
Существенное снижение материалоемкости производства можно обеспечить за счет массового применения эффективных видов металлопродукции, пластических и других прогрессивных материалов.
Наиболее широкое применение в машиностроении нашли такие крупнотоннажные полимеры, как полиамиды, полиолефины, фенолформальдегидные и эпоксидные смолы. Потенциальные возможности крупнотоннажных полимеров изучены достаточно хорошо, однако реализованы не полностью. Особенно перспективно в качестве связующих композиционных материалов (КМ) конструкционного назначения применение олигомеров низкотемпературного отверждения. При этом наиболее важным является применение ненасыщенных полиэфирных смол (НПЭС), используемых в качестве связующих для стеклопластиков в судостроении, строительстве, машиностроении, в качестве пленкообразующих и компонентов пропиточных и заливочных составов, клеев, замазок, для изготовления товаров народного потребления.
Целью работы являлось изучение структуры и свойств полимеров, модифицированных кремнием. Кремний является дешевым материалом. Кроме того, установлено его уникальное воздействие на воду (происходит активация воды). А активированная кремнием вода оказывает положительное влияние на организм человека, животных[16]. Вот мы и попытались исследовать влияние кремния на структуру и физико-механические свойства материалов. Исследования проводились на полиэтилене низкого давления. Этот материал выбран потому, что он является более технологичным и дешевым, по сравнению с эпоксидными и фенолформальдегидными смолами.
Глава I. Литературный обзор по теме: ’’Композиционные триботехнические материалы на основе сшивающихся смол ’’1.1. Типы композиционных материалов
Композиционные материалы—это материалы, состоящие из двух или более компонентов (отдельных волокон или других армирующих составляющих и связующей их матрицы) и обладающие специфическими свойствами, отличными от суммарных свойств их составляющих компонентов. Компоненты композитов не должны растворяться или иным способом поглощать друг друга. Они должны быть хорошо совместимы. Свойства композиционных материалов нельзя определить только по свойствам компонентов, без учета их взаимодействия[24].
Композиционные материалы классифицируются обычно по виду армирующего наполнителя: волокнистые (армирующим компонентом служат волокнистые структуры); слоистые; наполненные пластики (армирующим компонентом являются различные частицы). В свою очередь наполненные пластики могут быть разделены на насыпные (гомогенные) и скелетные (начальные структуры, заполненные связующим). Армирующие компоненты могут представлять собой различные волокна, порошки, микросферы, кристаллы и “усы” из органических, неорганических, металлических материалов или керамики. Наиболее распространены следующие связующие, используемые в армированных пластиках: полиэфиры, фенолы, эпоксидные компаунды, силиконы, алкиды, меламины, полиамиды, фторуглеродные соединения, ацетали, полипропилен, полиэтилен и полистирол. Связующие могут быть разделены на термопласты (способные размягчаться и затвердевать при изменении температуры) и реактопласты, или термореактивные смолы (связующие, в которых при нагревании происходят необратимые структурные и химические превращения). В настоящее время наибольшее распространение получили термореактивные связующие.
При разработке и изготовлении новых композиционных материалов, а также при создании конструкций из них приходится учитывать влияние внешних условий (температура, высокая влажность) на эти материалы. Необходимо учитывать и ряд специфических свойств композиционных материалов. Так, учет ползучести, которая является характерным свойством многих композиционных материалов, заставляет проектировщиков отказываться от целого ряда традиционных решений.
Целью создания композиционного материала является объединение схожих или различных компонентов для получения материала с новыми заданными свойствами и характеристиками, отличными от свойств и характеристик исходных компонентов. С появлением такого рода материалов возникла возможность селективного выбора свойств композитов, необходимых для нужд каждой конкретной области применения. Композиционные материалы, оказавшиеся и экономичными, и удобными в проектировании, сегодня используются везде – от производства игрушек и теннисных ракеток до применения в космических аппаратах (теплоизоляция, микросхемы и др.).
Армирующие компоненты могут быть включены в состав армированных пластиков для изменения свойств термо- или реактопластов. Современная промышленность композиционных материалов широко варьирует различные сочетания армирующих компонентов и связующих, выбор которых определяется как техническими параметрами, так и ценой. Армированные пластики наиболее часто используются в двух видах: листовой материал (типичный пример такого материала – это бумага, пропитанная меламинофенольным связующим, или стекловолоконные маты, пропитанные полиэфирным связующим) и прессованные пластики (чаще всего используются пропитанные фенольным или другим связующим минеральные, хлопковые и другие волокна). Большинство свойств полученных композиционных материалов оказывается более высокими, нежели свойства исходных компонентов. К композитам следует также отнести и различные материалы, конструкционное назначение которых то же, что и одного из компонентов. Такого рода материалами являются, например, покрытые поливиниловой пленкой изделия, используемые в летальных аппаратах; металлопластиковые облицовки и т.д.
В настоящее время наиболее распространенными компонентами при создании материалов являются стеклянные, полиамидные, асбестовые волокна, бумага (целлюлозные волокна), хлопок, сизаль, джут и другие натуральные волокна. Все большее место в технологии производства композитов занимают такие материалы, как углеродные, графитовые, борные, стальные волокна и “усы” (очень короткие армирующие волокна, обычно кристаллические). Выбор того или иного армирующего наполнителя определяется ценой, составом и технологическими требованиями, предъявляемыми к свойствам армированных пластиков[2,4].
1.2. Самосмазывающие материалы на основе сшивающихся связующих
Для изготовления подшипников скольжения тяжелонагруженных и высокоскоростных узлов трения наиболее используемыми являются сшивающие полимерные связующие – фенолформальдегидные, эпоксидные и другие смолы. Среди них особо интересны фенолформальдегидные смолы, имеющие развитую сырьевую базу, обладающие высокими удельными физико-механическими характеристиками. На основе этого связующего создана группа композиционных материалов и покрытий антифрикционного назначения, нашедших широкое применение в машиностроении[9].
В качестве функциональных добавок, улучшающих износостойкость и снижающих коэффициент трения, в фенолформальдегидные смолы вводят графит, дисульфид молибдена, фторопласт-4, порошки металлов и оксидов, образующие на поверхностях трения устойчивую пленку переноса. Эффективным методом повышения фрикционных характеристик для композиций такого типа является реализация термоактивационного эффекта. Суть эффекта заключается в образовании в зоне трения многокомпонентной пленки, состоящей из сухой смазки и металлополимера, который генерируется непосредственно в процессе трения, благодаря разложению под действием локальных температур введенной в состав композиции металлосодержащей соли. Расширения нагрузочно-скоростного диапазона реализации термоактивационного эффекта удается достичь при использовании специальных методов обработки рабочей поверхности металлического вала. Так, фосфатирование вала из стали 45 в течение 3-15 мин позволяет снизить нагрузочно-скоростные режимы трения, обуславливающие образование металлополимерной антифрикционной пленки, при одновременном снижении коэффициента трения. Образование фосфатного слоя на поверхности вала способствует закреплению частиц смазочных компонентов, содержащихся в материале подшипника, увеличивает время нахождения их в зоне трения и тем самым обеспечивает стабильную работу узла трения.
Все большее распространение в машиностроении получают композиционные материалы на базе сшивающихся связующих холодного отверждения. Преимущества таких материалов: высокая технологичность изготовления и переработки, возможность использования в полевых и ремонтных условиях способствует их широкому применению. Среди таких композитов в настоящее время наиболее известны материалы на основе эпоксидных смол и их различных модификаций.
В последние годы внимание привлекают ненасыщенные полиэфирные смолы. Данные связующие имеют более низкую стоимость по сравнению с эпоксидными, высокие эксплуатационные показатели. Существенным недостатками полиэфирных смол являются низкая ударная вязкость, высокие усадка и коэффициент трения. Традиционные сухие смазки не обеспечивают значительного улучшения фрикционных характеристик полиэфирных смол. Наибольший эффект снижения коэффициента трения достигнут при введении компонентов, формирующих в зоне трения разделительные слои, например, легкоплавких полиолефинов. Под действием температур в зоне фрикционного контакта на поверхности полимерного подшипника формируется пленка расплава полиолефина, которая снижает адгезионное взаимодействие полиэфирного связующего с металлической поверхностью.
Одним из главных достоинств полиэфирных связующих по сравнению с материалами аналогичного класса является возможность регулирования времени нахождения в частично сшитом (резиноподобном) состоянии. Композиционный материал, находящийся в резиноподобном состоянии, может быть легко трансформирован в изделия сложной конфигурации без использования сложной технологической оснастки. Достаточная длительность резиноподобного состояния – от десятков минут до нескольких часов – позволяет формировать крупногабаритные изделия с большой массой. Используя этот эффект, можно формировать многослойные изделия, каждый слой которых обладает специфическими свойствами. Особый интерес это качество разработанных композиций приобретает при изготовлении крупногабаритных подшипников скольжения.
Разработаны технологическая оснастка и технологический регламент, позволяющие применять композиционные материалы на основе ненасыщенных полиэфирных смол при ремонте и восстановлении техники в полевых условиях.
Для узлов трения с повышенными требованиями по надежности и долговечности разработан материал Хтиболон. Композиция включает термореактивное связующее (эпоксидное, фенолформальдегидное, фурановое или их смеси) и армирующий наполнитель в виде однонаправленных или хаотически расположенных углеродных волокон или углеродных тканей. Дополнительно в состав введены твердые смазки, порошки полимеров, металлов, базальтовые, стеклянные, металлические волокна или ткани[3,8].
1.3. Выбор типа сшивающегося связующего для изготовления материала.
При разработке состава сшивающегося связующего на основе полиэфирных смол необходимо исходить из следующих критериев:
1. Связующее должно иметь высокую жизнеспособность при введенной отверждающей системе;
2. Связующее должно обладать оптимальной вязкостью для обеспечения хорошего заполнения литьевой формы.
3. Реакционная способность смолы не должна превышать оптимального значения, с целью минимизации температуры саморазогрева в процессе отверждения.
Для управления технологическими характеристиками связующего на основе полиэфирных смол используют различные приемы. В состав связующего вводят добавки, позволяющие изменять вязкость системы в зависимости от механического воздействия. В качестве таких добавок применяют оксид кремния, бентонит, замещенные мочевины, сополимеры винилхлорида, винилацетата и т.п.
Кроме таких добавок в состав связующего вводят загущающие добавки-оксиды, гидроксиды и соли двухвалентных металлов. Процесс загущения имеет три стадии: стадию низкого загущающего эффекта, стадию резкого возрастания вязкости и стадию стабильной вязкости.
По скорости нарастания вязкости при загущении можно выделить ряд: MgO>Ca(OH)>CaO>Mg(OH), а по предельной вязкости ряд: MgO>CaO>Ca(OH)>Mg(OH). Положение загустителей в ряду определяется маркой смолы.
На процесс химического загущения сшивающегося на основе полиэфирных смол оказывает существенное влияние ряд факторов: количество загущающей добавки, дисперсность, присутствие активаторов, ингибиторов или регуляторов структурирования, строения ненасыщенного полиэфира, содержание карбоксильных групп, равномерность распределения добавки в объеме.
Одним из основных критериев выбора связующего является его жизнеспособность, т.е. продолжительность пребывания смолы в вязкотекучем состоянии после введения инициирующей системы. Момент перехода композиций в текучее (желеобразное) состояние называется желатинизацией илигелеобразованием. Период с момента введения инициирующей системы до гелеобразования называется временем гелеобразования.
Время гелеобразования зависит от природы и концентрации компонентов отверждающей системы, объема (массы) приготовленного связующего, природы и концентрации ингибиторов, природы и количества наполнителя, воздействия тепловых и электрических полей, излучений, вибраций и т.п. После гелеобразования начинается стадия структурирования, в течение которой композиция имеет частично сшитую структуру, обеспечивающую высокую деформативность. Такое состояние композиции называют резиноподобным, а время его достижения – временем резиноподобного состояния.
Управляя параметрами желатинезации и резиноподобного состояния, удается регулировать технологические и прочностные характеристики композиций.
Скорость сшивки смолы зависит от оптимального состава перекиси, ее количества и температуры.
Для отверждения смолы используют 0,5-3% инициатора или смеси инициаторов.
Наибольшее применение в практике получили инициирующие системы отверждения, содержащие перекисный инициатор и ускоритель, в качестве которого используют стирольные растворы нафтената кобальта, растворы диметиланилина в стироле и т.п.
Для двухкомпонентных отверждающих систем существует область температур переработки, при которых возможно достижение оптимальных характеристик сшитых связующих. Например, для системы перекись бензола + диметиланилин она составляет 15-30 с, для системы перекись метилэтилкетона + нафтенат кобальта – 20-40 с, гидроперекись трет-бутила + нафтенат кобальта – 60-70 с.
Повышение содержания ионов металла (кобальта) в нафтенате приводит к увеличению его активности.
В состав отверждающей системы и композиции вводят соускорители, которые обеспечивают высокую скорость отверждения даже при отрицательных температурах.
Увеличение скорости отверждения можно достичь при введении в состав связующего солей аммония органических кислот, ацетилацетонов металлов V, Al, Mo, Mn, Fe, Cr, галогенных солей меди и т.п.
При переработке сшивающихся смол необходимо регулировать скорость отверждения, снижая ее как на стадии гелеобразования с целью повышения технологической жизнеспособности, так и на стадии резиноподобного состояния с целью снижения экзотермического эффекта отверждения. Поэтому в состав отверждающей системы вводят замедлители отверждения. В качестве ингибиторов используют воду, спирты и т.п.
В идеальном случае ингибитор обеспечивает длительное хранение растворов полиэфиров в мономерах и необходимую скорость их гелеобразования, но не должен замедлять отверждение и отрицательно влиять на свойства отвержденных продуктов.
Эффективной инициирующей системой, увеличивающей время резиноподобного состояния до 60 мин., является комбинация перекисного и гидроперекисного инициатора, ускорителя с гидрохиноном и дифенилпропаном. Композиции с длительным резиноподобным состоянием (в течение нескольких суток) получают, используя в составе инициирующей системы производные ферроценов.
Существенной проблемой является повышение физико-механических и эксплуатационных свойств полиэфирных связующих. В чистом виде связующие на основе полиэфирных смол применяются крайне редко. В состав связующих для повышения служебных характеристик вводят функциональные ингредиенты, которые снижают коэффициент трения, уменьшают износ, повышают прочность, теплостойкость, ударную вязкость и т.п.
Специфика композиций на основе полиэфирных смол состоит в необходимости путем введения наполнителей и модификаторов одновременного управления технологическими и эксплуатационными характеристиками, например, технологической живучестью, временем резиноподобного состояния, прочностью, теплостойкостью.
Важнейшим недостатком связующего на основе полиэфирных смол является нестабильность технологических характеристик и, прежде всего, усадки, которая достигает 6-9%. Усадка связующего главным образом связана с количеством прореагировавших двойных связей насыщенного полиэфира и мономера.
Вклад стирола в усадку достигает 17%, ненасыщенного полиэфира – 3%. В общую усадку большой вклад вносит и термоусадка в процессе охлаждения. Традиционное регулирование усадки путем введения наполнителей для композиций на основе полиэфирных смол малоэффективно.
Для снижения усадки большой эффект дают дисперсные полимеры: полиэтилен, полистирол, полиметилметакрилат. Все наполнители в малоусадочных композициях делят на 4 класса:
n нерастворимые при комнатной температуре в стироле, но набухающие в нем в условиях формования;
n образующие диспергированную фазу в виде эмульсии;
n содержащие кроме термопласта и олигомера ненасыщенный полиэфир;
n полностью растворяющиеся в смоле.
Для снижения усадки в состав связующих на основе полиэфирных смол вводят эластомеры, полиэтилен, полипропилен, стеарат цинка, перманганат калия и окись алюминия, мел в сочетании с полистиролом и поливинилацетатом.
Эффективным методом снижения усадки является одновременное введение дисперсного полиэтилена и кремнийорганических жидкостей. Для повышения износостойкости композиции на основе полиэфирных смол применяют различные наполнители и модификаторы: графит, дисульфид молибдена, фторопласт-4, порошки металлов и их оксидов. Однако традиционные наполнители снижают коэффициент трения и повышают износостойкость материала только при больших степенях наполнения (20-40 масс%), что существенно снижает их технологические и прочностные характеристики. Более эффективным приемом оказывается введение в состав композиций легкоплавкого полимера в сочетании с сухой смазкой и смазочным маслом.
Хороший эффект достигается при введении в сшивающее на основе полиэфирных смол марки ПН-1 стеклоткани и железного порошка. Для повышения износостойкости в сшивающее рекомендовано вводить полипропиленовые и полиамидные волокна. Материал с хорошей износостойкостью получают при модифицировании смолы карбонатом кальция, стекловолокном и политетрафторэтиленом. Износостойкость связующих повышает волокно из поливинилового спирта.
Абразивостойкие материалы получают при наполнении связующего на основе полиэфирных смол порошкообразным полиэтиленом и стекловолокнистым наполнителем [1,21,22].
1. Наиболее эффективным связующим для разработки абразивосодержащего материала являются ненасыщенные полиэфирные смолы.
2. Технологические преимущества ненасыщенных полиэфирных смол по сравнению с другими видами сшивающихся связующих заключаются в следующем:
n возможность регулирования технологической живучести:
n возможность формования изделий методом свободной заливки;
n возможность создания композиций с малой регулируемой усадкой.
3. Эксплуатационные преимущества ненасыщенных полиэфирных смол заключается в следующем:
n возможность управления прочностными и триботехническими свойствами в широких пределах;
n возможность изготовления изделий сложной геометрической формы и больших размеров.
4. При создании композиционного материала для обработки металлических поверхностей необходимо:
n подобрать отверждающую систему для регулирования времени гелеобразования и резиноподобного состояния;
n подобрать абразивный наполнитель с максимальной способностью абразивного действия по отношению к металлам;
n разработать состав со стабильным и низким значением усадки.
1.4. Уникальность кремня
1.4.1. Непознанный кремень
Много лет и немало совместных усилий понадобится ученым разных направлений науки для познания кремня – камня, который своими уникальными свойствами положил начало человеческой цивилизации. Не одно тысячелетие длился каменный век, на всем протяжении его кремень оставался непревзойденным материалом для изготовления орудий труда, наконечников для копий и стрел и т.п. Более поздние цивилизации продолжали использовать кремень для производства глазурей, силикатных эмалей, шлифовальных порошков и др. Более четырех столетий кремень исправно служил для поджига пороховых зарядов в пушках и ружьях. Кремневые жернова для помола зерна позволяли получать муку с отменными выпечными и вкусовыми свойствами[16].
В конце 70-х годов XX столетия А.Д.Малярчиков обнаружил, что при естественном воздухообмене, температуре окружающей среды выше +40С, вода при контакте с кремнем приобретает неожиданные свойства и может сохранять их неопределенно долгое время (с кремнем или без него) в закрытом сосуде. Кроме того, при тех же условиях в течение нескольких суток биологически заселенная вода восстанавливает свои питьевые свойства.
1.4.2. Взаимодействие кремня с водой и обнаруженные при этом эффекты
11 Июня 1984 года в сосуд со свежей водопроводной водой был помещен кусочек кремня. Одновременно другой сосуд наполнялся такой же водопроводной водой (контрольной). Сосуды хранились в одной и той же комнате, но были оптически изолированы друг от друга.
Спустя 9 лет после начала эксперимента проведено сравнение качества активированной кремнем воды (АКВ) и контрольной. АКВ продолжает оставаться исключительно прозрачной, не цветет, не имеет запаха, сосуд чистый. Контрольная вода зацвела, протухла, а стенки сосуда покрылись большим количеством водорослей. С помощью универсальной индикаторной бумаги определена кислотность АКВ и контрольной воды. Разницы обнаружено не было, в обоих случаях рН=7.
Научный и практический интерес представляет исследование поведения АКВ в капиллярных системах, в качестве которых выбирались образцы в форме цилиндра высотой 20 мм, изготовленные из одного и того же корня дерева и высушенные в комнатных условиях в течениие8 лет. Пропитывающими жидкостями служили дистиллированная вода, активированная кремнем вода в течение 5 месяцев, и контрольная вода (дистиллированная неактивированная).
Установлено значительное (в 1,5 – 2,5 раза) увеличение скорости подъема АКВ по сравнению с неактивированной водой. Первый стример на поверхности образца появился через 4 мин после начала пропитки кремневой водой и только через 10 мин после начала пропитки контрольной водой. Массовое появление стримеров наблюдалось через 7 мин после начала пропитки АКВ и только через 17 мин после начала пропитки контрольной водой, при этом величина электрического сигнала АКВ после его стабилизации в 1,2 раза превышала аналогичный сигнал контрольной воды.
Проведено сравнение величин коэффициента поверхностного натяжения и косинуса угла смачивания АКВ и контрольной воды.
Найдено, что произведение величины коэффициента поверхностного натяжения на косинус угла смачивания для АКВ и контрольной воды соответственно составляет 0,11 и 0,05 Н/м, т.е. измеренные величины отличаются тоже примерно в два раза. Следовательно, эффект подъема активированной кремнем воды можно объяснить влиянием кремня на капиллярно-поверхностные свойства воды.
1.4.3. Физико-химические и иные свойства кремня
В составе кремней обнаружено содержание около 20 химических элементов (магния, кальция, фосфора, стронция, железа, марганца, меди, цинка, кобальта, никеля, хрома, свинца, алюминия, бора, кадмия, молибдена, титана, кремния, олова, бария) в концентратах экстрактов кремней черного серого и красного, в их настоях на дистиллированной и водопроводной воде.
Кремень красный отличается от других исследованных минеральных образований тем, что в его составе в заметном количестве присутствуют органические ненасыщенные соединения, имеющие характерное флюорисцентное свечение.
Концентрации практически всех основных примесей в кремнях различного возраста и окраски весьма близки, вместе с тем, в зависимости от возраста различаются по содержанию кальция, калия, алюминия и железа. Примесей тяжелых элементов в кремниях различного возраста, цвета, из различных месторождений обнаружено не было.
Зарегистрирован эффект уменьшения исходного количества бария и кальция в водопроводной воде при ее активировании кремнями отмеченных разновидностей в ряде случаев более чем на 200%.
Исследованы возможности стабилизации (продления сроков годности) широко применяемых в медицинской практике препаратов группы биогенных стимуляторов путем их приготовления на активированной кремнями воде. Обнаружено заметное стабилизирующее действие активированной кремнями воды на состав препарата “Экстракт алоэ”.
1.4.4. Исследование термической стабильности кремня методами термогравиметрии и ДТА-анализа
Метод термического анализа основан на регистрации изменения массы образца в зависимости от температуры. Экспериментально полученная кривая зависимости изменения массы от температуры характеризует термостабильность и состав исследуемого образца[23,27].
Для определения температурной стабильности кремня были приготовлены три пробы образцов с размерами частиц 3,0-3,5 мм; 1,0-2,0 мм и <1,0 мм соответственно. Нагрев образцов производился по программе со скоростью 50С/мин в интервале температур 20 – 800 0С. В процессе эксперимента регистрировались три кривые: изменения температуры (Т), массы (ТG) и теплового потока. По экспериментальным данным рассчитывались скорость изменения массы и изменения энтальпии.
ДТА-исследования кремня показали, что физических превращений или химических реакций, связанных с изменением энтальпии, которые сопровождаются заметным поглощением или выделением тепла, в исследуемом интервале температур не наблюдается. Впрочем, это можно объяснить и сильным размытием процесса разложения фракций в кремне.
Результаты термического анализа приведены в таблице №1.
Таблица №1
Температура, 0С | Потери массы (TG), % | ||
| 3,0 – 3,5 мм | 1,2 – 2,0 мм | <1,0 мм | |
| 140 | 0,000 | -0,174 | -0,050 |
| 190 | 0,000 | -0,141 | -0,012 |
| 234 | 0,000 | -0,113 | 0,000 |
| 280 | 0,000 | -0,113 | 0,000 |
| 322 | -0,019 | -0,084 | 0,000 |
| 365 | -0,060 | -0,100 | 0,034 |
| 407 | -0,171 | -0,194 | 0,166 |
| 450 | -0,284 | -0,340 | 0,316 |
| 490 | -0,382 | -0,460 | 0,446 |
| 534 | -0,483 | -0,562 | 0,562 |
| 574 | -0,502 | -0,645 | 0,624 |
| 616 | -0,537 | -0,641 | 0,647 |
| 660 | -0,521 | -0,694 | 0,660 |
| 700 | -0,531 | -0,709 | 0,744 |
| 741 | -0,548 | 0,710 | 0,745 |
| 800 | -0,607 | -0,720 | 0,746 |
Анализ данных потерь массы исследуемых проб показывает, что потери массы лежат в пределах 0,6 – 0,8 %, при этом, чем меньше размеры частиц, тем больше для заданной температуры потеря массы, что связано с большей поверхностью частиц.
Заметная потеря массы в образце наблюдается, начиная от 3000С. Интервал разложения составляет около 300 0С. Это связано не с широким диапазоном разложения каких-то фракций, находящихся в кремне, а, скорее всего с медленными диффузионными процессами, которые определяют выход летучих фракций из глубины частичек кремня.
1.4.5. Применение активированной кремнем воды в медицинской практике
О неожиданных свойствах кремня, судя по всему, в Беларуси знали с древнейших времен. Быть может, стихийно пользовались люди и водой, соприкасавшейся с кремнем. М.М.Синявский после применения АКВ в качестве мочегонного средства, стал применять ее для лечения гипертонической болезни. Использовал новогрудский кремень черного цвета: настаивал при нормальных условиях в течение трех суток в стеклянной банке, прикрытой марлей. Для каждого конкретного человека прием АКВ зависит от потребности в питье. В среднем Синявский рекомендует четверть стакана после еды. Применение АКВ позволило ему излечить сотни больных, страдавших гипертонической болезнью. В последние годы АКВ применялась М.М.Синявским для лечения трофических язв, ожогов, желче- и мочекаменной болезни, воспалительных процессов мочеполовой системы и т.д.
Гнойное отделяемое из трофических язв обычно содержит обильную кокковую флору. Многолетние трофические язвы со зловонием содержат палочку сине-зеленого гноя. При перевязке (утром и вечером) такая язвенная поверхность покрывается стерильной марлевой салфеткой, обильно смоченной АКВ. При подсыхании (между перевязками) салфетка дополнительно смачивается АКВ. Наблюдения показали, что через 2-3 суток зловоние исчезает, и язвенная поверхность очищается от некротических тканей, палочка сине-зеленого гноя также исчезает. При этом резко уменьшается кокковая флора, и быстро появляются розовые грануляции, которые постепенно заполняют раневой дефект с последующим заживлением язвы.
Синявским установлено, что на пятый-шестой день после приема АКВ (6-8 раз в сутки) у больных с многолетними трофическими язвами нижних конечностей увеличивается количество Т- и В-лимфоцитов. А это говорит о способности АКВ восстанавливать утраченный или ослабленный иммунитет. Кроме этого, АКВ снижает холестерин крови, особенно при ожирении.
Можно рекомендовать активированную кремнем воду как средство после бритья, для предотвращения морщин, заживления ран и т.п. Мытье головы АКВ укрепляет волосяные сумки, а также способствует отрастанию волос.
По глубокому убеждению М.М.Синявского, АКВ препятствует развитию аденомы и импотенции у мужчин, а также предупреждает бесплодие у женщин.
При наружных воспалительных процессах АКВ рекомендуется в виде примочек, компрессов, смоченных тампонов (наружный слуховой проход, прямая кишка, влагалище).
Рекомендуется также АКВ для полоскания полости рта, слизистой носа, орошения гортани. Она снимает воспалительные процессы, укрепляет ткани и кровеносные сосуды.
Поскольку АКВ удовлетворяет всем требованиям ГОСТа на питьевую воду, а также обладает разносторонними лечебно-оздоровительными действиями, целесообразно ее применение в лечебных учреждениях.
Глава II. Методы исследования2.1. Метод термического анализа
Термоаналитические методы служат для исследования физических и химических превращений в веществах или системах, протекающих под действием тепла.
Химические или физические процессы, изменение состояния вещества или фазы (плавление, кристаллизация, испарение, горение и т.д.) сопровождается изменением внутреннего теплосодержания системы. Процессы, протекающие с выделением тепла, называются экзотермическими, а с поглощением тепла- эндотермическими. Физико-химические процессы часто сопровождаются изменением массы, которое может быть определено с помощью термогравиметрического метода.[13]
Сущность метода дифференциально-термического анализа (ДТА) заключается в измерении микротоков термопары, помещенной в пробирку, которая нагревает с определенной скоростью.
Термогравиметрия (TG) основана на методе непрерывного взвешивания исследуемого вещества в процессе изменения температуры.
Метод дифференциальной термогравиметрии (ДТG) основан на измерении скорости изменения массы навески исследуемого вещества при данной температуре.
Совмещение методов ДТА, ТG, ДТG позволяет определить направление и величину изменения теплового эффекта реакции (энтальпии), протекающей в веществе под действием температуры, определить характер структурных и фазовых превращений в веществе, определить изменение массы вещества в зависимости от температуры, а также температуры превращений в веществе. Все перечисленные методы совмещены в дериватографе Q-1500.
Принцип действия дериватографа Q-1500:
Дериватограф- комплексное термоаналитическое устройство. Дериватограф Q-1500 позволяет производить измерение температуры (Т), изменение веса (ТG), скорости изменения веса (ДТG) и изменение содержания теплоты (ДТА) исследуемого вещества в зависимости от времени в диапазоне температур от 20 до 1500 С в обычном режиме эксплуатации и до 1000 С для квазиизометрических и изобарных исследований.
В некоторых случаях состав окружающей среды оказывает решающее влияние на кинетику разложения вещества. Поэтому важно установить, какое влияние на процесс разложения оказывает собственная газовая атмосфера, образующаяся при распаде. Для этого процесс разложения вещества проводят в специальном лабиринтном тигле, который препятствует удалению газообразных продуктов, однако сохраняет практически 100% среду продуктов распада. такой режим проведения эксперимента называется квазиизобарныим.
При квазиизотермическом режиме работы в начальной стадии эксперимента температура образца растет с большой скоростью (2-5 С/мин), а затем, начиная с момента распада вещества, поддерживается такая температура, при которой разложение происходит с постоянной, очень малой скоростью.
Прибор Q-1500 состоит из пяти основных блоков:
-блок термовесов;
-сдвоенная печь с рамой;
-шестиканальный регистр с рамой;
-тиристорный блок управления регулировки программ;
-тиристорного блока питания регулирования программ.
Одной из сложных задач кинетики химических процессов является расчет энергии активации, то есть определение избыточного количества энергии, которым должна обладать молекула в момент столкновения, чтобы началась химическая реакция.
Для расчета энергии активации реакции используют методы ДТА, ТG, ДТG.
Энергия активации по кривой ДТА может быть рассчитана из уравнения:
LnΔt = c – E/(RT) ; (1)
где Δt — изменение температуры, соответствующее глубине пика ДТА при заданной температуре выраженного в мм;
Е — энергия активации кДж/моль, то есть энергия которую нужно сообщить молекуле, чтобы она вступила в реакцию;
R — универсальная газовая постоянная Дж/мольК;
с — константа.
По кривой ТG-анализа энергию активации расчитывают:
Lnm-2LnT=А-Е/RT; (2)
где m — уменьшение массы вещества, определяется по ТG-кривой, в % или мг;
А-постоянная величина.
Исходя из кривой ДТG-анализа энергию можно вычислить из уравнения:
cV=B-E/RT; (3)
где V — скорость уменьшения массы вещества, мг/мин или мг/ С;
В — константа;
![]() |
Т — абсолютная температура, К.
Рис.1. Принципиальная схема дериватографа Q-1500
1- керамическая трубка;
2- держатель проб;
3- печь;
4- включатель;
5,10,12- усилители;
6- электромагнит;
7- катушка;
8- весы;
9- дифференциальный преобразователь сигнала;
11- регестрирующее устройство.
2.2.Определение коэффициента трения и удельного износа
Опыты проводились на трибометре ПД-1А.
Он предназначен для испытания различных материалов (металлов, сплавов, жестких полимеров и керамики) на трение и износ.
Принцип действия устройства заключается в истирании пары трения, состоящей из неподвижного цилиндрического образца – пальца, прижимаемого торцевой поверхностью к плоскости вращающегося диска.
Устройство трибометра.
Структурная схема трибометра содержит испытательный блок и пульт управления, обеспечивающие возможность оценки фрикционных свойств блочных образцов и покрытий в широком диапазоне нагрузок и скоростей.
Испытательный блок включает в себя следующие функциональные узлы:
1. Держатели образцов;
2. Блок датчиков измерения характеристик и параметров трения;
3. Привод вращения нижнего образца;
4. Механизм нагружения образцов.
Указанные узлы монтируются на общей станине. Конструкция испытательного блока обеспечивает надежную виброизоляцию машины при работе в условиях интенсивных динамических нагрузок.
Испытательный блок электрически связан с пультом управления, содержащим :
1. Блок управления скоростью вращения двигателя.
2. Измеритель числа оборотов и скорости вращения вала.
3. Систему измерения силы трения.
4. Систему измерения линейного износа.
5. Аналого-цифровой преобразователь.
6. Блок защиты от перегрузок.
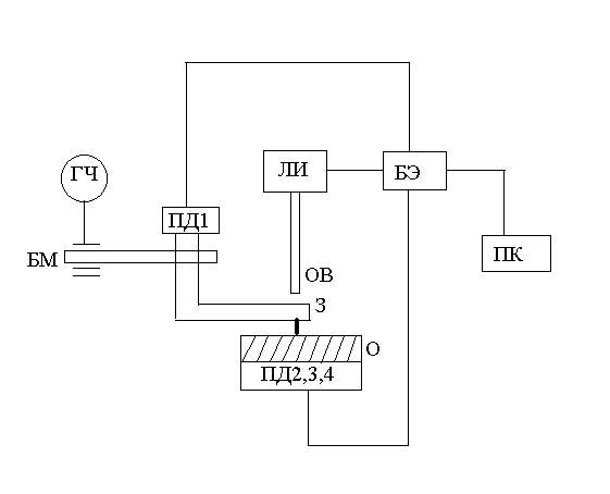
2.3. Атомно-силовая микроскопия (АСМ)
Метод АСМ применяется для измерения топографии поверхности твердых тел в нанометровом диапазоне и анализа особенностей ее строения.
Изображение поверхности в АСМ получают при помощи сканирования образца в горизонтальной плоскости с использованием иглы с радиусом кривизны острия порядка десятков-сотен нанометров, укрепленной на консоли (колеблющейся) с известной жесткостью. При сканировании измеряется отклонение (сдвиг резонансной частоты колебаний) консоли под действием сил между иглой и поверхностью. Таким образом, при регистрации сил взаимодействия (градиента сил) проводят картографирование поверхности.[15]
Аналитический узел сканирования АСМ представляет собой открытую конструкцию для работы на воздухе с хорошим доступом при установке образца и смене сканирующего зонда. Обзор места подвода острия зонда к исследуемой поверхности может обеспечиваться использованием длиннофокусного оптического микроскопа.
Аналитический зонд АСМ представляет собой ‘Г’-образную консольно закрепленную балку с острием (радиус закругления –0,1мкм) на свободном конце, изготовленную из вольфрамовой проволоки методом электро-химического травления и полирования. Вторым, более длинным концом, бапка связана с биморфным пьезокерамическим элементом (БД), который при подаче осциллирующих напряжений от генератора частот (ГЧ) приводит ее в колебания с собственной частотой (30-100кГц). При приближении зонда к поверхности образца (О) на расстояние порядка нескольких нанометров, амплитуда колебаний балки изменяется под влиянием молекулярных сил (отталкивания) возникающих между острием и поверхностью образца.

Рис.2. Принципиальная схема АСМ
З- зонд;
БМ- биморфный элемент;
ГЧ- генератор частот;
О- образец;
ЛИ- люминисцентный источник;
ОВ- оптическое волокно;
БЭ- блок электроники;
ПК- персональный компьютер;
ПД1,2,3,4- пьезоэлементы двигателя.
Изменение амплитуды колебаний зонда детектируется оптической системой, в которой пучок света от ЛИ проходя по ОВ, отражается, во-первых, от его скола на краю волокна подведенном с помощью регулируемого кронштейна на расстояние 10мкм к ΄пятке’ зонда и, во-вторых, от полированного участка на поверхности балки. Разность отраженных оптических сигналов регистрируется и обрабатывается блоком электроники (БЭ). По изменениям разницы сигналов судят об изменении амплитуды колебаний зонда и, следовательно, об изменении расстояния между сканирующим острием и исследуемой поверхностью. С помощью системы обратной связи на базе управляющего компьютера (ПК) и блока электроники (БЭ) подаются соответствующие управляющие напряжения на Z-участок, пьезоэлементы двигателя (ПД). ПД, удлиняясь или укорачиваясь, совершают перемещение острия (или образца) вдоль оси Z и тем самым поддерживают постоянным расстояние между острием зонда и поверхностью образца во время сканирования.
Системы детектирования и перемещений обеспечивают чувствительность по оси Z 0,1-0,2 нм, в плоскости ХОУ- разрешение до 5-10 нм.
Сканирование острия зонда над измеряемой поверхностью осуществляется пьезодержателем ПД1. Для этого соответствующие квантовые напряжения на ХУ-участки трубчатого элемента подают, что приводит к их изгибу относительно осей ОХ и ОУ и, следовательно, к сканированию в плоскости ХОУ. В зависимости от состояния системы цифровой процессор управляет положением зонда. Компьютер реализует растровую разветку пьезодвигателя. В заданных узлах растровой сетки производятся измерения положений. Данные накапливаются в ОЗУ компьтера.
Сканирование.
Подготовленный для исследований на САМ образец закрепляют на платформе держателя в аналитическом узле таким образом, что предполагаемый участок сканирования располагается под острием зонда. Платформа устанавливается на направляющие. После чего, осуществляется подвод образца, выбор режима и производится сканирование.
Обработка данных.
В результате экспериментальных исследований были получены САМ-изображения, обработка производится на компьютере с использованием оригинальных программ.
Первичная обработка включает вычисление общей плоскости наклона изображения и фильтрацию шумовых компонентов. Затем методом многократной повторной фильтрации находят длинноволновые составляющие рельефа.
Для полученных изображений производится статистический анализ высот топографии, углов наклона рельефа и ориентационных углов. Кроме того, выполняются профильные сочетания изображений, которые затем обрабатываются по специальной программе для определения параметров шероховатости.
2.4. Определение ударной вязкости
Ударная вязкость в данной работе определялась на маятниковом копре RM-201.Маятниковый копер предназначен для испытания пластмасс на сопротивление изгибу при ударе, на их долговечность и вязкость.
Маятниковый копер работает по принципу Шарпи. Маятник качается на оси, вращающийся в подшипниках, закрепленных на вилкообразной чугунной стойке. В нижней части стойки имеются опоры для закрепления образца. Расстояние между опорами можно регулировать соответственно размерам образца. На полукруглой шкале, расположенной центрично с осью маятника, имеются два деления в соответствии с работой удара разных маятников. В поднятом положении маятник фиксируют собачкой. Вытянув собачку и освободив этим маятник, накопившаяся в нем кинетическая энергия освобождается и маятник в своем самом нижнем положении ударяет на установленный на опорах образец и ломает его. Часть энергии израсходуется на разрушение образца; оставшаяся в маятнике кинетическая энергия заставляет маятник взлетать в противоположную сторону. Выходящий за пределы самого нижнего положения маятник, сломав образец при помощи ручки, насаженной на его ось, перемещает из своего исходного положения фрикционную стрелку, которая показывает величину взлета маятника. Шкала отградуирована с таким расчетом, что позволяет непосредственный отсчет энергии, израсходованной на излом.
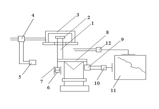
2.5. Рентгеноструктурный анализ
Рентгеновские дифрактометры- приборы, использующие ионизационные или инсциляторные методы регистрации дифракционных максимумов.[14]
Современный дифрактометр является сложной установкой, в которой осуществляется фокусировка рентгеновских лучей, отраженных от образца, и измеряется интенсивность дифракционных максимумов с помощью счетчиков. Установка снабжена электронной и интегрирующей схемами и автоматической записью кривых интенсивностей.
В СНГ серийно выпускаются дифрактометры семейства ДРОН (дифрактометр рентгеновский общего назначения) в основе которых используется одна и та же схема фокусировки рентгеновских лучей, названная в честь авторов — фокусировка по Брэггу-Брентано.
Дифракционная картина регистрируется последовательно по мере вращения образца и счетчика. Поэтому необходимо, чтобы интенсивность излучения рентгеновской трубки была постоянной, а геометрическая съемка должна быть фокусирующей при сравнительно больших размерах образца.
Дифрактометры семейства ДРОН состоят из источника высокого напряжения, на котором обычно располагается оперативный стол с реализацией той или иной схемы фокусировки, которая включает рентгеновскую трубку, счетчик рентгеновских квантов. В отдельных стойках (или стойке, в зависимости от модели) размещаются блоки линейного усилителя, дифференциального дискриминатора, пересчетного устройства, его секундомера, устройство вывода информации, дифропечатающего устройства, самопишущего прибора, которые обеспечивают функционирование и возможность реализации той или иной задачи.
РТ- рентгеновская трубка,
Д- детектор,
РГ- регестрирующее устройство,
БФИ- блок формирования импульса,
ПС- пересчетная схема,
ИСПИ- измеритель скорости подачи импульсов,
ЭПП- электронный пишущий потенциометр,
ВУ- высоковольтное устройство,
![]() |
О- образец.
Рис.3 Принципиальная схема дифрактометра
Глава III. Исследование структуры и свойств полимерных материалов, модифицированных кремнийсодержащими добавками
3.1. Результаты рентгеноструктурного анализа
3.1.1.Рентгеноструктурный анализ кремня
Анализу подвергался кремний до термообработки, после термообработки при 1000С, 2000С, 3000С в течении одного часа.
Результаты расчета рентгенограмм приведены в таблице №2. За основу составления этих таблиц приняты значения межплоскостных расстояний, которые рассчитывались по формуле
d/n=l/2sinq (4)
где l -длинаволны рентгеновского излучения, Å;
q-угол скольжения,0.
Таблица №2 Результаты расчета рентгенограмм кремния
Реф-лекс № | Кремень до Термообработ-ки | После термо-обработки при 1000С | После термо-обработки при 2000С | После термо-обработки при 2000С | ||||||||
Θ0 | d/n | ΔI | Θ | d/n | ΔI | Θ | d/n | ΔI | Θ | d/n | ΔI | |
| 1 | 10,5 | 4,23 | 0,20 | 10,4 | 4,27 | 0,21 | 10,4 | 4,27 | 0,22 | 10,4 | 4,27 | 0,23 |
| 2 | 12,0 | 3,71 | 0,05 | |||||||||
| 3 | 13,4 | 3,32 | 1,00 | 13,3 | 3,35 | 1,00 | 13,4 | 3,32 | 1,00 | 13,4 | 3,32 | 1,00 |
| 4 | 13,8 | 3,23 | 0,11 | |||||||||
| 5 | 16,7 | 2,68 | 0,03 | |||||||||
| 6 | 18,3 | 2,45 | 0,22 | 18,3 | 2,45 | 0,19 | 18,2 | 2,47 | 0,14 | 18,3 | 2,45 | 0,13 |
| 7 | 19,8 | 2,27 | 0,34 | 19,7 | 2,29 | 0,26 | 19,7 | 2,29 | 0,24 | 19,8 | 2,27 | 0,25 |
| 8 | 20,2 | 2,23 | 0,12 | 20,1 | 2,24 | 0,10 | 20,1 | 2,24 | 0,07 | 20,2 | 2,23 | 0,10 |
| 9 | 21,3 | 2,12 | 0,26 | 21,3 | 2,12 | 0,16 | 21,2 | 2,13 | 0,15 | 21,3 | 2,12 | 0,17 |
| 10 | 22,9 | 1,98 | 0,13 | 22,9 | 1,99 | 0,13 | 22,9 | 1,98 | 0,12 | 23,0 | 1,97 | 0,16 |
| 11 | 23,7 | 1,92 | 0,03 | |||||||||
| 12 | 24,3 | 1,87 | 0,04 | |||||||||
| 13 | 25,1 | 1,82 | 0,46 | 25,1 | 1,82 | 0,42 | 25,1 | 1,82 | 0,41 | 25,1 | 1,82 | 0,48 |
| 14 | 27,5 | 1,67 | 0,16 | 27,4 | 1,67 | 0,14 | 27,4 | 1,67 | 0,13 | 27,5 | 1,67 | 0,13 |
| 15 | 28,8 | 1,60 | 0,03 | |||||||||
| 16 | 30,1 | 1,54 | 0,36 | 30,0 | 1,54 | 0,27 | 30,0 | 1,54 | 0,24 | 30,0 | 1,54 | 0,24 |
| 17 | 32,1 | 1,45 | 0,10 | 32,0 | 1,45 | 0,08 | 32,1 | 1,45 | 0,07 | 32,0 | 1,45 | 0,06 |
| 18 | 32,8 | 1,42 | 0,04 | |||||||||
| 19 | 34,1 | 1,37 | 0,47 | 34,1 | 1,37 | 0,42 | 34,1 | 1,37 | 0,33 | 34,0 | 1,38 | 0,43 |
| 20 | 36,9 | 1,28 | 0,13 | 36,8 | 1,29 | 0,08 | 36,8 | 1,29 | 0,09 | 36,8 | 1,29 | 0,08 |
| 21 | 37,9 | 1,25 | 0,15 | 37,8 | 1,26 | 0,12 | 37,9 | 1,25 | 0,08 | 37,9 | 1,25 | 0,10 |
| 22 | 38,9 | 1,23 | 0,07 | 38,8 | 1,23 | 0,05 | 38,8 | 1,23 | 0,04 | 38,8 | 1,23 | 0,06 |
| 23 | 38,9 | 1,23 | 0,07 | |||||||||
| 24 | 39,7 | 1,21 | 0,06 | |||||||||
| 25 | 40,0 | 1,20 | 0,15 | 40,0 | 1,20 | 0,12 | 40,0 | 1,20 | 0,10 | 40,0 | 1,20 | 0,11 |
| 26 | 40,7 | 1,18 | 0,20 | 40,6 | 1,18 | 0,13 | 40,7 | 1,18 | 0,13 | 40,8 | 1,18 | 0,13 |
| 27 | 41,9 | 1,15 | 0,08 | 41,8 | 1,16 | 0,10 | 42,0 | 1,15 | 0,04 | 42,0 | 1,15 | 0,05 |
| 28 | 45,5 | 1,08 | 0,08 | 45,5 | 1,08 | 0,10 | 45,4 | 1,08 | 0,06 | 45,5 | 1,08 | 0,06 |
| 29 | 47,5 | 1,05 | 0,08 | 47,4 | 1,05 | 0,10 | 47,4 | 1,05 | 0,04 | 47,5 | 1,05 | 0,05 |
| 30 | 48,2 | 1,03 | 0,08 | 48,3 | 1,03 | 0,04 | 48,2 | 1,03 | 0,04 | 48,1 | 1,04 | 0,04 |
| 31 | 49,4 | 1,01 | 0,05 | 49,4 | 1,01 | 0,03 | 49,3 | 1,02 | 0,03 | 49,3 | 1,02 | 0,02 |
| 32 | 51,3 | 0,99 | 0,06 | 51,2 | 0,99 | 0,05 | 51,3 | 0,99 | 0,04 | 51,3 | 0,99 | 0,04 |
| 33 | 52,1 | 0,98 | 0,04 | 0,04 | ||||||||
| 34 | 53,3 | 0,96 | 0,06 | 53,2 | 0,96 | 0,04 | 53,3 | 0,96 | 0,06 | 53,3 | 0,96 | 0,04 |
| 35 | 57,3 | 0,92 | 0,08 | 57,3 | 0,92 | 0,07 | 57,2 | 0,92 | 57,4 | 0,91 | 0,06 | |
| 36 | 59,2 | 0,90 | 0,06 | 59,2 | 0,90 | 0,04 |
Из таблицы видно, что имеются некоторые изменения в структуре кремния после термообработки (ТО).
ТО при 1000С вызывает появление рефлекса при Q=120, Q=38,90, Q=39,70; исчезновение рефлекса при Q=16,70, Q=52,10, Q=59,20.
ТО при 2000С вызывает появление рефлекса при Q=13,80; исчезновение рефлекса при Q=16,70, Q=52,10, Q=59,20.
ТО при 3000С вызывает появление рефлекса при Q=23,70, Q=24,30, Q=28,80; исчезновение рефлекса при Q=16,70, Q=52,10.
3.1.2. Рентгеноструктурный анализ ПЭНД, модифицированного кремнием
Исследование процессов структурообразования, происходящих в полиэтилене при введении модификатора (кремния) проводили также методом рентгеноструктурного анализа.
Результаты расчета рентгенограмм приведены в таблице №3, рентгенограммы покаазаны на рис.№4
По таблице видно, что имеются изменения в структуре ПЭ с различными концентрациями кремния. С увеличением процентного содержания кремния увеличивается количество рефлексов.
Определение размеров кристаллических блоков в модифицированных полимерах проводились по формуле:
L=l/2DcosQ (5)
гдеL– размер кристаллитов (Е);
l-- длина волны (Е);
D--полуширина пика (рад);
Q--угол пика (0).
Для определения степени кристалличности использовалась формула:
w=Ic/(Ic+kIa)·100% (6)
где w — степень кристалличности (%);
Ic --максимальная интенсивность пика на рентгенограмме (мм);
k –коэффициент, равный 1,124[13,14].
Графики зависимостей степени кристалличности и размера кристаллитов от концентрации модификатора показаны на рисунках №5, №6.

Рис.5.
Рис.6.

Анализируя диаграммы, можно сказать, что в области концентраций 0,1-1% имеются точки перегиба функции L(C%) и w(C%). По всей видимости, возможно в данной области происходят изменения в структуре полиэтилена, что должно отразится на механических свойствах исследуемых полимеров
3.2. Стойкость полимера к термоокислению (по ДТА и ТG анализу)
Введение кремния в полиэтилен также оказывает влияние на термоокислительные и термостойкие свойства материала [15].
Это видно из таблицы №4 и рис. №7,№8.
Таблица №4
Зависимость температур термических процессов от концентрации кремния
| ПЭ (чистый) | ПЭ +1% кремния | ПЭ +5% кремния | ПЭ +10% кремния | ПЭ +20% кремния |
| Температура начала плавления | 900С | 850С | 950С | 900С | 900С |
Температура max плавления | 1300С | 1200С | 1300С | 1200С | 1200С |
Температура окончания плавления | 1600С | 1600С | 1500С | 1550С | 1700С |
Температура начала окисления | 1800С | 1850С | 1900С | 1900С | 2000С |
Температура max окисления | 2100С | 2050С | 2200С | 2100С | 2200С |
Температура окончания окисления | 2600С | 2400С | 2700С | 2600С | 2550С |
Температура начала деструкции | 2900С | 3400С | 3050С | 3000С | 3250С |
Температура конца деструкции | 4600С | 4600С | 4700С | 4600С | 4600С |
Рис.7.
3.3. Ударная вязкость полимера
Ударная вязкость образцов определялась на маятниковом копре. Наибольшей ударной вязкостью, как выяснилось, обладает полиэтилен с добавкой 1% кремния. Образцы для опытов применялись прямоугольного профиля площадью 7´5 мм2. Результаты опыта приведены на рис.№9
Рис.№9
3.4. Триботехнические характеристики
Триботехнические испытания проводились на трибометре ПД-! А. Как выяснилось из результатов исследования, наибольшим коэффициентом трения обладает образец с содержанием 3% кремния, наименьшим – с содержанием 0,1% и 0,5%[18,19,20].
Установлено также, что с увеличением скорости скольжения образцов увеличивается коэффициент трения и удельный износ.
Результаты исследований приведены на рис№10, №11.
Рис.10.

Рис.11

4.1. Принципы создания композиционных материалов на основе полимеров
Эксплуатационная долговечность машин и механизмов в ряде случаев определяется надежностью работы узлов трения. Применение фрикционных деталей из цветных и специальных подшипниковых сплавов требует выполнения ряда условий для их надежной работы – смазки, специальных устройств, защищающих узлы трения от воздействия абразивных частиц, загрязнений, агрессивных сред, механических повреждений. Для малонагруженных и низкоскоростных узлов трения техники различного назначения использование подшипников скольжения из металлических сплавов конструктивно не обосновано и экономически нецелесообразно. Современные композиционные материалы на основе полимеров позволяют решить задачу повышения эксплуатационного ресурса и надежности машин, обеспечив при этом значительные материальные выгоды и экономический эффект.
Полимерные материалы в чистом виде нашли ограниченное применение при изготовлении деталей узлов трения вследствие их относительно невысоких эксплуатационных характеристик – высокого коэффициента трения, недостаточной термо- и теплостойкости, низкой износостойкости. Для повышения служебных характеристик полимера используют различные направления: разработку новых связующих с требуемыми характеристиками, модифицирование многотоннажно выпускаемых материалов функциональными добавками, обработку специальными методами.
Выбор направления создания полимерного композита обусловлен конкретными требованиями: экономическими, конструктивными, технологическими, эксплуатационными и др. Например, применение полимерных подшипников скольжения в автомобилях, сельскохозяйственных машинах, выпускаемых большими сериями, выдвигают на первый план экономические (стоимость, доступность сырья) и технологические (методы переработки в изделия, возможность регенерации технологического брака) аспекты. При использовании полимерных конструкций в единичных образцах техники, особенно эксплуатирующейся в экстремальных условиях, естественно, более важное значение имеют эксплуатационные и конструктивные требования – заданные физико-механические свойства, термо- и теплостойкость и т.п. Очевидно, что и эти методы модифицирования полимерных материалов выбираются, исходя из анализа технико-экономических требований к конструкции.
Обобщение отечественного и зарубежного опыта создания металлополимерных узлов трения позволило выявить основные тенденции в этой области: разработку методов создания материалов с заданными фрикционными свойствами и разработку методов управления поверхностными свойствами материалов непосредственно в процессе фрикционного взаимодействия.
Исследование механизма трения и изнашивания полимеров по металлам позволяет утверждать, что наиболее существенное влияние на фрикционные характеристики оказывают: природа контактирующих материалов, нагрузочно-скоростные и тепловые режимы трения, условия смазки, топография поверхностей трения. Работа узла трения, в частности, во многом зависит от температуры и состава окружающей среды, наличия абразива, воздействия агрессивных и коррозионно-активных сред.
Для снижения коэффициента трения и повышения износостойкости материала в состав связующего обычно вводят от 0,1 до 40% мас. сухих смазок – графита, сульфидов металлов, солей высших кислот, талька, слюды и др. Такие вещества обладают способностью образовывать на поверхностях трения легкоподвижные слои. Данный метод модифицирования нашел наибольшее применение для сшивающихся связующих – фенолформальдегидных, эпоксидных, полиэфирных смол.
В последние годы широкое распространение получил метод повышения фрикционных свойств полимерных материалов путем введения в их состав жидкофазных смазок и смазочных масел. При введении жидких компонентов в пределах, превышающих их совместимость с полимерным связующим, создается возможность выделения избытка жидкости из матрицы. Наличие в зоне трения градиента температур способствует миграции смазочной жидкости с повышенной температурой. Таким образом, на поверхностях трения непрерывно генерируется смазочная пленка. При снижении температуры в зоне трения скорость миграции смазки замедляется, что способствует обеспечению эффекта самосмазывания в течение длительного времени.
Недостатком антифрикционных материалов, содержащих жидкие смазки, является ограниченность ресурса работы узла трения. Это связано с относительно небольшим количеством жидкой смазки, которую можно ввести в полимерный материал без существенного усложнения технологии изготовления и переработки, а также без снижения и сходных физико-механических характеристик полимерного связующего. Частично данные недостатки устраняются при использовании специальных поглотителей жидкой смазки, которые могут адсорбировать значительные объемы жидкости при небольших собственных объемах. Таким образом, появляется возможность перерабатывать композиции, содержащие до 40-50% об. жидкой смазки, на стандартном технологическом оборудовании. В качестве поглотителей (адсорбентов) смазки используют порошки металлов, оксидов, графита, полимеров, силикатов и др. веществ.
Эксплуатационный диапазон применения полимерных антифрикционных материалов часто определяется теплостойкостью полимерного связующего, теплопроводностью композиции. Так, при скачкообразном изменении нагрузочно-скоростных режимов эксплуатации, вызванном экстремальными ситуациями, основной причиной отказа металлополимерного узла трения является тепловое разрушение подшипника.
Интересен метод повышения износостойкости узлов трения, заключающийся во введении в полимерное связующее добавок, способных к полимеризации,-- трибополимеров. Образование трибополимерной пленки в зоне трения обеспечивает снижение износа узла. Дефицитность трибополимеризующих присадок и ограниченный диапазон проявления этого эффекта сдерживают развитие этого направления.
Перспективным направлением повышения износостойкости полимерных материалов и композитов на их основе является диффузионное насыщение поверхностных слоев деталей трения целевыми добавками. Это позволяет достичь значительного эксплуатационного эффекта при относительно небольших экономических затратах на модификацию изделий.
В последние годы активное развитие получил трибохимический принцип создания металлополимерных узлов трения. Суть развиваемого принципа состоит в направленном использовании физико-химических процессов в зоне трения с целью обеспечения благоприятного режима эксплуатации узла.
Продукты трибохимических реакций в некоторых случаях могут выполнять роль противоизносных добавок, так называемых ингибиторов изнашивания. Поэтому важнейшей задачей триботехнического материаловедения является создание трибосистем, в которых развиваются физико-химические процессы образования ингибиторов изнашивания. В связи с этим еще на стадии проектирования узла трения необходимо учесть трибохимические аспекты его эксплуатации. Это будет способствовать повышению надежности и долговечности, обеспечению требуемого ресурса работы техники. Реализация трибохимического принципа создания металлополимерных узлов трения позволила разработать группу самосмазывающихся материалов и методов повышения износостойкости узлов трения.
4.2. Изготовление изделий методом контактного формования
Метод контактного формования не требует сложного оборудования, и поэтому он широко применяется при изготовлении объемных и плоских деталей из стеклопластиков в строительстве, машино-, приборо-, автомобиле- и судостроении. При контактном формовании отверждение материала происходит, как правило, при комнатной температуре, однако для ускорения процесса можно применять обогреваемые формы или проводить отверждение при повышенных температурах (60-1000С).
Контактное формование изделий из стеклопластика осуществляют в формах, изготавливаемых из дерева, гипса, стеклопластика, металла и т.д. Рабочую поверхность шаблона или формы обезжиривают обычно бензином или ацетоном, контролируя чистоту, гладкость, отсутствие задиров и других дефектов поверхности.
На подготовленную оснастку (форму, шаблон) наносится плоской кистью, тампоном или распылителем разделительный слой — адгезионная смазка, которую необходимо просушить при температуре 18 — 20 0С до исчезновения липкости.
К антиадгезионному средству предъявляется ряд специфических требований: обеспечение легкого съема отвержденного изделия с формы, быстрое высыхание, нетоксичность, неприлипание к изделию, а также возможность получения изделий с глянцевой или матовой поверхностью.
В качестве антиадгезионных средств используют полимерные пленкообразующие материалы, в том числе водные и водно-спиртовые растворы поливинилового спирта, раствор ацетата целлюлозы в ацетоне, каучуке. Их наносят на поверхность форм плоскими кистями или распылением.
Наиболее широко применяют водно-спиртовые растворы поливинилового спирта, скорость высыхания которых регулируется изменением соотношения воды и этилового спирта.
Для повышения стабильности раствора поливинилового спирта в состав раствора вводится мыло[5,6].
В промышленности при переработке полиэфирных стеклопластиков с использованием деревянных шаблонов и форм применяют смазку следующего состава.
Таблица №5
Состав смазки при переработке полиэфирных стеклопластиков
| Уайт-спирит | 100 мас. ч. |
| Церезин М-80 | 17,1 мас. ч. |
| Воск буроугольный | 17,1 мас. ч. |
| Полиэтиленовый воск ПВ-300 | 4,29 мас. ч. |
| Полиэтиленовый воск окисленный | 4,29 мас. ч. |
Смазка обеспечивает до 15-25 съемов изделий. Ее готовят путем растворения смеси сухих компонентов в уайт-спирите в течении 3-4 часов при 80-90 0С на водяной бане. Для повышения эффективности смазки рекомендуется в состав ее вводить ускорители отверждения.
После высыхания разделительного слоя рабочую поверхность оснастки покрывают равномерным слоем формовочного состава, включающего полиэфирную смолу, красители, загустители, добавки, снижающие ингибирующее действие кислорода воздуха, и т.д. Затем укладывают стеклоткань по длине (ширине) стола, шаблона. Стыки полотнищ стеклоткани шириной не менее 20 мм, необходимо равномерно смещать по длине (ширине) формовочной оснастки во избежание утолщений готовых изделий.
Выклейку заготовки из слоев стеклоткани можно производить различными способами, при этом ткань иногда пропитывают заранее в пропиточных машинах или кистью вручную на специальных рамках, которые могут быть смонтированы в установке кассетного типа.
При изготовлении деталей со сложными контурами применять заранее пропитанную стеклоткань неудобно. Поэтому сухую стеклоткань прикрепляют к столу, первый слой пропитывают формовочным составом, после чего покрывают стеклоткань следующим слоем сухой стеклоткани и приглаживают кистью без связующего до его появления на поверхности ткани. Уплотнение слоев производят валиками. Затем на стеклоткань дополнительно наносят связующее до полной ее пропитки, после чего укладывают последующий слой ткани. Процесс повторяют до получения нужной толщины изделия. Как правило, при изготовлении изделий из стеклопластиков используют несколько видов стеклоткани для повышения прочностных характеристик.
Для получения определенного количества связующего в стеклопластике необходимо контролировать его расход при пропитке. Он зависит от типа стеклоткани.
Пропитанная стеклоткань отверждается непосредственно на оснастке при температуре не ниже 180С и влажности не более 65% в течении 30-60 мин с последующим доотверждением при 60-700. С в течение 2-3 часов. Готовые стеклопластиковые изделия снимают с оснастки через 72-96 часов и обрезают до необходимого размера алмазными кругами. Такой метод широко используется при изготовлении корпусов судов, лодок, кузовных частей автомобилей, резервуаров и других крупногабаритных деталей[10].
4.3. Изготовление изделий методами свободного и центробежного литья
Широкое применение метод свободного литья нашел при переработке ненасыщенных полиэфирных смол в производстве деталей радиотехнического назначения, электрического оборудования кабельных муфт, наливных полов, листовых и стержневых заготовок для получения пуговиц, пряжек и бижутерии и т.д.
К заливочным композициям предъявляется следующие требования: они должны иметь невысокую вязкость, умеренную усадку, небольшой экзотермический эффект при отверждении, а в отвержденном состоянии повышенную ударную прочность и в ряде случаев высокие показатели электроизоляционных свойств, улучшенную прозрачность, теплопроводность, износостойкость и химическую стойкость.
Заливку в открытые и закрытые формы осуществляют, как правило, после введения отверждающей системы без применения внешнего давления, но иногда используют простейшие приспособления для заливки под давлением сжатого воздуха 0,02-0,2 МПа[10].
Необходимое время гелеобразования и отверждения обеспечивается соотношением и количеством компонентов отверждающей системы. Для ускорения отверждения изделий формы нагревают, причем температура нагрева зависит от применяемой системы отверждения.
Ускорение процесса отверждения может быть достигнуто путем обработки смолы токами высокой частоты. При этом достигается повышение твердости на 10-22% и снижение абразивного износа на 11-18%. Свободную отливку можно производить в формах из полиэтилена, пропилена, применение которых не требует нанесения антиадгезионной смазки на рабочую поверхность форм.
Кроме того, применяют также формы из силиконовой резины, особенно при изготовлении декоративных изделий: деталей мебели, багетов, для обрамления картин, статуэток, украшений, пуговиц, пряжек и др.
Изготовление эластичных форм включает следующие процессы: изготовление модели, формы для отливки силиконовой матрицы, крепление модели в форме, приготовление силиконового компаунда и заливка в форму, вулканизация, извлечение матрицы из формы, термообработка матрицы, изготовление копий модели в матрице, размножение силиконовых матриц. Модель-оригинал разрабатывается и изготавливается из любого материала: пластика, дерева, металла, воска, пластилина и т.д. Силиконовый компаунд воспроизводит мельчайшие детали рисунка модели, поэтому не допускаются какие-либо дефекты, в том числе отпечатки пальцев.
После подготовки модели изделие обезжиривают и закрепляют в форму. Форма для отливки силиконовых матриц изготавливается в виде цилиндра или рамки со съемным дном. Для лучшего извлечения силиконовой матрицы из формы, стенки обрабатывают антиадгезионным составом на основе воска, парафина. Допускается применение вазелина и минерального масла. Закрепление модели в форме производится посредством липкой ленты, клея и любым другим способом, но с учетом того, что модель должна плотно прилегать ко дну формы во избежания подтекания силикона под модель.
После смешения компонентов силиконовую композицию дегазируют в вакууме для удаления пузырьков воздуха, захваченного в процессе смешения. При этом объем смеси увеличивается в 2-3 раза, поэтому емкость должна быть заполнена не более чем на 1/3 объема. Когда вспученная композиция возвращается к первоначальному объему, дегазацию прекращают. Если на поверхности модели имеется сложный рисунок, то перед заливкой ее покрывают тонким слоем силиконовой композиции, в которую введен катализатор вулканизации.
Вулканизация силиконовой формы длится 6-24ч при 20-250С. Когда композиция в процессе вулканизации потеряет липкость и наберет твердость, силиконовую матрицу извлекают из формы и отделяют от модели. Для повышения ее долговечности требуется термообработка при температуре 140-1600С. В процессе термообработки происходит довулканизация, удаляются летучие продукты реакции, стабилизируются свойства. Чтобы не произошла деформация матрицы из-за быстрого нагрева, температуру необходимо повышать, начиная с 800С со скоростью 10-200С/час.
После термообработки в матрице из полиэфирной смолы отливается необходимое количество копий модели, по которым производится размножение силиконовых матриц. Для изготовления изделий свободной заливкой используются композиции на основе смол ПН-1 и ПН-12.
Количество компонентов отверждающей системы (ускорителя и инициатора) подбирается экспериментально, чтобы обеспечить время гелеобразования 13-16 мин (в течении которого смола сохраняет текучесть). Этого времени достаточно для заливки 20-25 форм. Стирол или 3% раствор парафина в стироле вводится в композицию при отливке изделий в эластичных силиконовых формах с целью снижения поверхностной липкости.
Полиэфирная композиция заливается тонкой струей в силиконовые формы, нагретые до температуры 100-1200С. После заливки рекомендуется поместить их в сушильный термошкаф с температурой 110±100С, через 10-20 мин из форм извлекаются заготовки изделий и матрица без промывки готова к последующей заливке.
В условиях мелкосерийного производства для изготовления изделий из ненасыщенных полиэфирных смол методом свободной заливки могут быть использованы установки типа УОС-2-1 с производительностью переработки полиэфирной композиции 50-70 кг/час. Принцип работы установок состоит в следующем: композиция с ускорителем заливается в одну емкость, а с инициатором в другую, затем композиции шнековыми насосами подаются в смеситель проточного типа, где перемешиваются. Из смесителя композиция, способная к быстрому отверждению, подается к форме. На установке возможна одновременная заливка двух форм.
4.4. Технологический регламент изготовления композиционных материалов на основе ненасыщенных полиэфирных смол
Технологический регламент изготовления композиционных материалов на основе ненасыщенных полиэфирных смол разработан на основе результатов научно-исследовательских работ и предусматривает использование композиционных материалов при производстве абразивного инструмента.
Технологический процесс изготовления шлифовальных кругов на гибкой связке состоит из следующих стадий:
¨ подготовка сырья и форм;
¨ приготовление формообразующей смеси;
¨ изготовление и хранение кругов;
¨ разборка форм и выемка кругов.
1.Подготовка сырья и форм.
1.1. Сырье проверить на соответствие ГОСТам, ОСТам, ТУ.
1.2. Приготовление смазки для форм.
1.3. Подготовка форм.
Формы осмотреть. Раковины, царапины, грязь на формообразующих поверхностях форм не допускаются.
Формы установить на рабочем столе. Старую смазку удалить и кистью нанести тонкий и равномерный слой смазки на формообразующую поверхности форм.
Для получения равномерного слоя необходимо смазку предварительно размешать до однородной массы.
Температура воздуха рабочего помещения должна быть не ниже +200С.
2.Приготовление формообразующей массы.
Приготовление массы производить в металлической емкости при перемешивании на лопастном смесителе.
2.1. Подготовка сыпучих компонентов.
2.2. Подготовка связующего.
2.3. Смешение сыпучих компонентов со связующим.
3.Изготавление и хранение кругов.
3.1. После перемешивания, массу из рабочей емкости перелить в разливочный ковш.
3.2. Из ковша смесь заливать в формы, совершая круговые движения по периметру форм и укладывая один слой последовательно на другой до полного заполнения форм массой.
3.3. Освободившиеся рабочую емкость и ковш разливочной машины очистить от остатков формообразующей массы, используя салфетки обтирочные, смоченные ацетоном.
3.4. Сразу же после заливки форм начинается полимеризация кругов, которая происходит с выделением тепла.
3.5. Через 15-20 мин ножом удалить с формы излишки формообразующей массы.
3.6. Круги хранить в сухом помещении при температуре выше +100С. Круги складировать рядами или в подвешенном состоянии на штырях.
4.Контроль качества.
4.1. Каждое изделие осматривается визуально. Не допускается наличие трещин и сколов.
4.5. Механическая обработка полиэфирных материалов
Материалы на основе полиэфирных смол могут подвергаться всем видам механической обработки, хотя это сопряжено с определенными трудностями. Механический перенос закономерностей процесса резания металлов и рекомендаций по отдельным видам их обработки на процесс резания пластмасс, как показала практика, невозможен, поскольку пластмассы – особая по сравнению с металлами группа материалов, имеющая специфические свойства, обуславливающие особенности процесса их резания. Детали из полиэфирных материалов при изготовлении прессованием, литьем, формованием изменяют свои размеры и формы вследствие усадки при отверждении и остывании, поэтому обработка резанием является необходимой, широко распространенной и важной операцией в общем технологическом процессе изготовления изделий из этих материалов[11,12,17].
Полиэфирные материалы, как правило, содержат пигменты, наполнители дисперсные и волокнистые, в том числе стекловолокно, что вызывает быстрый износ инструмента. Этому способствует низкая теплопроводность полиэфирной смолы.
При механической обработке полиэфирных материалов предпочтительнее применять резцы из твердых сплавов группы ВК по сравнению со сплавами групп ТК и ТТК.
Для твердых сплавов группы ВК с различным содержанием кобальта (ВК-3, ВК-4, ВК-6, ВК-8, ВК-10) наибольшая стойкость отмечена при использовании резцов, оснащенных пластинками из ВК-6, что более чем в 4 раза превышает срок службы твердосплавных резцов из ВК-8. Стойкость резцов, оснащенных пластинками из мелкозернистых твердых сплавов ВК6М и ВК60М, в 7-9 раз превосходит стойкость инструмента из ВК-8. Стойкость резцов из быстрорежущей стали Р18 в 2-3 раза меньше, чем из ВК-8 и вольфрамовых сплавов КНТ-20 и ТН-20.
Стойкость резцов из быстрорежущей стали можно повысить нитроцементацией, нанесением тонкого поверхностного слоя карбонитридов на установках ‘Булат’.
При разрезании листов, труб и стержней из стеклопластиков толщиной до 30 мм наибольшая производительность обработки отмечена при использовании алмазных кругов, оснащенных синтетическими алмазами АСВ и АСК зернистостью 400/315 или 250/200. Рекомендуемая скорость резания V=60-65 м/с, подача S=6 000-7 000 мм/мин.
Стойкость алмазных кругов составляет около 50 ч, а с применением охлаждающей среды она увеличивается примерно в 2 раза.
Для шлифования пластмасс наиболее пригодны карборундовые круги средней твердости на керамической или бакелитовой связке с размером зерна абразива 0,8-0,5 мм для черновой обработки и 0,25-0,16 мм для чистовой. Часто применяют также шлифовальную шкурку с теми же размерами зерен абразива. Окончательную обработку поверхности перед полированием производят шкурками с самыми мелкими абразивными зернами № М-20, М-40.
Разработаны специальные абразивные круги, которые позволяют повысить производительность шлифования пластмасс. В качестве абразивного материала в них использовано раздробленное (оконное, тарное) стекло, а в качестве связки – бакелитовая смола. Абразивные круги из стеклянных зерен способны самозатачиваться в процессе шлифования. Объясняется это тем, что зерна из стекла имеют худшие механические характеристики, чем электрокорунд и карбид кремния, и легко разрушаются вследствие откалывания от зерен небольших частиц и выкрашивания затупившихся зерен. Вместо них в работу вступают новые обнажившиеся зерна, и режущие свойства круга поддерживаются на протяжении всего периода стойкости.
Внедрение стеклянных абразивных кругов в производство показало, что они по стойкости превосходят металлообрабатывающие в 10-20 раз и дают более низкую шероховатость поверхности. Для получения поверхностей особо высокого качества или придания им стойкости к окружающей среде, применяют полирование, которое придает изделию товарный вид. Полирование производят на полировальных кругах или в барабанах диаметром 500-700 мм, причем используют мягкие и твердые круги. При работе с твердыми кругами из войлока и фетра исправляют глубокие дефекты — риски, царапины, штрихи и т.п. Составляются эти круги из двух прокладочных дисков на каждые три рабочих диска, а их толщина равна 60-100 мм.
При работе с мягкими полировальными кругами, детали подвергают окончательному полированию.
Рабочие поверхности кругов покрывают полировальными композициями, основной частью которых являются абразивные материалы – пемза, наждак, карборунд, мел, глина, оксид хрома и др. Полировальные пасты выпускают с абразивами четырех градаций по дисперсности (четырех цветов). Самое грубое полирование получено при использовании пасты с абразивом дисперсностью 60-65 мкм (паста красного цвета), желтая паста содержит абразив размером 40-45 мкм, зеленая – 30-35мкм и серая паста, самая тонкая, — 20-25 мкм. В таблице №6 приведен состав, мас %, наиболее часто применяемой шлифовально-полировальной пасты (пасты ГОИ).
Таблица №6 Состав шлифовально-полировальной пасты ГОИ
Грубая | Средняя | Тонкая | |
| Окись хрома | 81 | 76 | 74 |
| Стеарин | 10 | 10 | 10 |
| Расщепленный жир | 5 | 10 | 10 |
| Силикагель | 2 | 2 | 1,8 |
| Керосин | 2 | 2 | 2 |
| Сода двууглекислая | -- | -- | 0,2 |
Если после полирования на поверхности изделий остается жирная пленка, то необходимо применять составы для удаления полировальных паст. Составы содержат водные растворы и эмульсии с мягким абразивом, растворители, поверхностно-активные вещества и др.
При составлении рецептур полировальных паст необходимо учитывать, что при полировании светлоокрашенных изделий в пасту вводят только светлые компоненты, не оставляющие следов на обрабатываемой поверхности, а для восстановления первоначального цвета в местах обработки можно применять цветные пасты. Минимальный припуск на полирование 0,12-0,30 мм.
Так, технология изготовления материалов на основе ненасыщенных полиэфирных смол и изделий из них включает следующие операции: подготовку сыпучих исходных компонентов; подготовку связующего; смешение сыпучих компонентов со связующим; дегазацию композиционного материала; заливку композиционного материала в формы; формирование изделия.
Изделия можно получать методом прямого или литьевого прессования при минимальном давлении прессования, так как композиции обладают высокой текучестью. Используя композицию, можно изготавливать армированные изделия путем пропитки полиамидных, хлопчатобумажных, стеклянных и других тканей, что позволяет получить особо прочные конструкции при сохранении высоких антифрикционных свойств. Изделия антифрикционного назначения, имеющие цилиндрическую форму, особенно крупногабаритные, целесообразно изготавливать методом центробежного литья при скорости вращения формы 120 — 400 мин -1.
Для ускорения процесса формирования изделий форму рекомендуется подогреть до 40 — 800С, для чего можно использовать горячую воду или термошкаф. Время отверждения композиционных материалов можно изменять в широких пределах. Процесс отверждения идет с выделением тепла, что следует учитывать при изготовлении крупногабаритных изделий во избежания их коробления и растрескивания.
Композиционные материалы на основе ненасыщенных полиэфирных смол допускают обработку любыми видами режущего инструмента, что позволяет изготавливать изделия с высокой точностью оформляющих размеров. Достоинством композиционных материалов такого типа является возможность использования отходов в технологическом цикле. Разработан метод регенерации отходов композиций на основе ненасыщенных полиэфирных смол путем увеличения длительности резиноподобного состояния с последующим измельчением их на вальцах. Измельченные активированные отходы могут быть использованы в качестве наполнителя композиционных материалов, что позволяет в 3 — 5 раз снизить расход связующего и в значительной мере решает проблему утилизации промышленных полимерных отходов.
Глава Y. Требования техники безопасности при работе с полиэфирными смолами и инициирующими добавками5.1. Хранение полиэфирных смол и инициирующих добавок
Полиэфирные смолы хранят в бочках или бидонах из стали, алюминия или оцинкованной стали в закрытых помещениях при температуре не выше 200С, защищая от действия солнечных лучей и влаги. Гарантийный срок хранения составляет обычно 4-6 месяцев, однако если по истечении данного срока смола удовлетворяет требованиям НТД, ее можно считать пригодной к переработке.
Пожарная опасность полиэфирных смол определяется природой мономера, входящего в их состав. Стирол, являющийся компонентом многих смол, легко воспламеняется (температура вспышки 310С, температура самовоспламенения 4900С)[29].
Для предотвращения пожара необходимо хранить смолы в плотно закупоренной таре; освещение и электрооборудование складских помещений должно быть сделано во взрывоопасном исполнении. Не допускаются наличие источников открытого огня и искрообразование. Помещения должны быть снабжены средствами пожаротушения – пенными и углекислотными огнетушителями, песком и т.п.
Перекисные и гидроперекисные инициаторы, являющиеся взрыв- и огнеопасными веществами, хранят в изолированных проветриваемых помещениях при температуре не выше 250С. В сухом состоянии они могут разлагаться со взрывом при ударах, растирании, нагревании, соприкосновении с сильными кислотами и восстановителями. Гипериз, перекиси метилэтилкетона, циклогексанона необходимо хранить в таре из полиэтилена или темного стекла. При этом запрещается использовать резиновые и притертые стеклянные пробки, вместо них применяют завинчивающиеся крышки из полиэтилена или корковые пробки с прокладкой из полиэтиленовой пленки[7].
Перекись бензоила поставляют и хранят в увлажненном состоянии (влажность не менее 25%) в стеклянных и керамических емкостях (банки, бутылки) с деревянными или полиэтиленовыми пробками и крышками. Замороженная увлажненная перекись бензоила также взрывоопасна, как и сухая, поэтому в зимнее время необходимо увлажнять ее не водой, а этиловым спиртом.
Не допускается хранение перекисей и гидроперекисей рядом с источниками тепла, а также на солнечном свету. Складское помещение должно отвечать требованиям, предъявляемым к помещениям для хранения огне- и взрывоопасных веществ. Источники электрического освещения располагаются вне помещения. Помещение должно быть чистым, при возникновении пожара следует применять воду и песок.
В лабораториях и производственных помещениях разрешается хранить лишь небольшое количество инициатора. Тара, освобождающаяся из-под перекисей и гидроперекисей, должна тщательно промываться ацетоном, водой, содовым раствором или 3%-ным раствором щелочи, после этого тару можно использовать повторно. Категорически запрещается хранить непромытую тару.
Применяемый в качестве ускорителя диметиланилин поставляется в стеклянных бутылках, ускоритель НК- в алюминиевых бидонах и стеклянных бутылях. Ускорители ввиду их горючести и токсичности хранят в отдельных помещениях в условиях, аналогичных условиям хранения полиэфирных смол.
5.2. Переработка полиэфирных смол
Ненасыщенные полиэфирные смолы – пожароопасные и токсичные материалы. Токсичность стиролсодержащих полиэфирных смол обусловлена содержанием в них стирола (25-40 мас %), пары которого оказывают наркотическое и сильно раздражающее действие, а также воздействуют на нервную систему, кровь и кроветворные органы. Попадание стирола или стиролсодержащих смол на кожу может вызвать раздражение и дерматиты. Предельно допустимая концентрация в рабочей зоне 30 мг/м3, в производственных помещениях –5, в приземном слое промышленной площадки – 1,5, а в жилой зоне – 0,003 мг/м3, в воде водных объектов хозяйственно-питьевого и культурно-бытового водоиспользования –0,1 мг/л. В состав полиэфирных композиций входит ряд компонентов, которые имеют высокую токсичность[25,26,28].
Работы с полиэфирными смолами следует проводить в помещениях с приточно-вытяжной вентиляцией. Для достижения в воздухе ПДК стирола 5 мг/м3 при работе со стиролсодержащими смолами необходимо подавать воздуха 2 000 м3/ч на 1 м2 поверхности формуемого материала, однако создать такой воздухообмен в реальных условиях сложно. Кроме того, при увеличении скорости потока воздуха сильно повышается скорость испарения стирола.
Для расчета вентиляции воздухообмен L (м3/ч) при выделении органических растворителей из раствора полимеров определяют по формуле
L=G(K2 – K1) (7)
где G – количество выделяющихся растворителей,г/ч;
К2 – предельное содержание растворителей в удаляемом воздухе, г/м3;
К1 – содержание растворителей в приточном воздухе, г/м3.
Кроме общей необходимо устанавливать местную вентиляцию в местах наибольшей концентрации токсичных летучих веществ (прессы, сушильные шкафы, участки для контактного формования, свободной заливки и т.д.). При этом рекомендуется отсасывать стирол в нижней части рабочего помещения, так как его пары тяжелее воздуха.
При работе с полиэфирными смолами следует пользоваться спецодеждой (халаты, комбинезоны, фартуки и др.), резиновыми, полиэтиленовыми или поливинилхлоридными перчатками или специальными защитными смазками на основе поливинилового спирта или казеина. Рекомендуется применять для защиты кожных покровов пасты, мази, кремы (типа мази Селинского и ИЭР-1).
Пасту наносят на руки, выдерживают несколько минут до высыхания, после чего на коже образуется защитная пленка. После окончания работы ее смывают водой. При попадании смолы на незащищенные участки кожи необходимо удалить ее тампоном, а затем промыть этот участок кожи теплой водой с мылом или 5%-ным раствором соды и смазать кремом. Перекиси оказывают резкое раздражающее действие на кожу и слизистую оболочку и могут вызвать ожоги, поэтому пораженное место следует обрабатывать спиртом или сильной струей воды. При попадании перекиси в глаза, их промывают водой и 5%-ным раствором соды и обращаться к врачу.
Цех по переработке полиэфирных смол должен отвечать требованиям, предъявляемым к взрыво- и пожароопасным помещениям: они снабжаются средствами пожаротушения, взрывобезопасными электрооборудованием и осветительной аппаратурой. Запрещается работа с инструментом, который может вызвать искрение при ударе, нельзя предварительно смешивать инициатор и ускоритель во избежание возгорания и взрыва. Помещения, в которых приготавливаются и обрабатываются полиэфирные композиции, имеют класс ПУЭ В-1а, а механическая обработка производится в помещениях класса П-2а.
При механической обработке предельно допустимая концентрация пыли в производственном помещении не должна превышать 2 мг/м3. После работы необходимо мыть лицо и руки только горячей водой, сначала без мыла, чтобы пыль не втиралась в кожу, а затем с мылом. Входное устройство пневмоотсоса необходимо устанавливать таким образом, чтобы в него попадали пыль и стружка. В противном случае они рассеиваются в воздухе и загрязняют его. Иногда при механической обработке пластмасс стружку и пыль удаляют с помощью смазочно-охлаждающей жидкости.
Литература1. Отчет по теме ‘Разработать состав и технологии изготовления абразивного материала для обработки деталей сложной геометрической формы’. Науч. рук.: Струк В.А., — Гродно, 1996.
2. Справочник по композиционным материалам. Под ред. Дж. Любика т1, т2. — М.: Машиностроение, 1988.
3. Струк В.А. Антифрикционные материалы на основе полимерных связующих. — Гродно, 1996.
4. Композиционные материалы. Справочник под общей ред. В.В.Васильева, Ю.М. Тарнопольского. - М.: Машиностроение, 1990.
5. Седов Л.Н. Состав и свойства полиэфирных связующих для пресскомпозиций. — М.,1975.
6. Моисеева И.П., Верин С.П., Семенова Н.И. Тиксотропные антикоррозионные грунтовки для защиты надводных поверхностей судов. -1975.
7. Сырье и полупродукты для лакокрасочных материалов. Справочное пособие. Под ред. М.М. Гольдберга.- М., 1978.
8. Седов Л.Н., Михайлова З.В. Ненасыщенные полиэфиры.- М.,1977.
9. Справочник по пластмассам. Под ред. В.М. Катаева, В.А. Попова, Б.И.Сажина. — М., 1975.
10. Азаров В.И., Цветков В.Е. Технология связующих и полимерных материалов. — М.: Лесная промышленность, 1985.
11. Новые материалы в технике и науке.- М., Наука, 1976.
12. Коляго Г.Г., Струк В.А. Материалы на основе ненасыщенных полиэфиров. — Минск: Навука i тэхнiка, 1990.
13. Костин П.П. Физико-механические испытания металлов, сплавов и неметаллических материалов. — М.: Машиностроение, 1990, — 256 с.
14. Вегман Е.Ф., Руфанов Ю.Г., Федорченко И.Н. Кристаллография, минералогия и рентгенография. — М.: Металлургия, 1990, — 262с.
15. Струк В.А., Минюк Г.Е. Лабораторный практикум по курсу”Физика и химия полимеров”. — Гродно: ГрГУ, 1995,- 64с.
16. Феномен кремня: реальность и перспективы. Сборник трудов первого Республиканского научно-практического семинара. — Минск, 1993.-126с.
17. Гуль В.Е., Акутин М.С. Основы переработки пластмасс.- М.: Химия, 1985.- 400 с.
18. Охлопкова А.А. Триботехнические и механические характеристики модифицированного политетрафторэтилена // Трение и износ.-№4. — Т.17. — 1996. — С. 550-553.
19. Миронов В.С. Технологическое управление триботехническими характеристиками слоистых полимерных композиций // Трение и износ. — №3.- Т.16. -1995. -С.527-536.
20. Ольшевский О.З. Исследование триботехнических характеристик композиционных материалов на базе ПЭНД // Физика конденсированных сред: Тезисы докладов YI Республиканской научной конференции студентов и аспирантов /Под ред. Лиопо В.А.- Гродно: ГрГУ, 1998. — С.147.
21. Кузнецов В.М. Смеси полимеров.- М.: Химия, 1979. — 304с.
22.Менсон Дж., Сперлинг Л. Полимерные смеси и композиты / Под ред. Ю.К.Годовского. — М.: Химия, 1979. -440с.
23. Тупов И.И., Кострикина Г.И. Химия и физика полимеров.- М.: Химия, 1989.- 432 с.
24. Портной К.И., Солибенов С.Е., Светлов И.Л., Чубаков В.М. Структура и свойства композиционных материалов. — М.: Машиностроение, 1979. — 255с.
25. Полимерные смеси / Под ред.Д.Пола, С.Ньюмака. — М.: Мир, 1981.-455с.
26. Гольдадэ В.А., Струк В.А., Песецкий С.С. Ингибиторы изнашивания металлополимерных систем.- М.: Химия, 1993. — 240с.
27. Струк В.А. Лабораторный практикум по курсу «Материаловедение» для инженерных специальностей. — Гродно: ГрГУ, 1991. — 66с.
28. Бортников В.Г. Основы технологии переработки пластических масс.- Л.: Химия, 1985.-304 с.
29. Гуль В.Е., Кузнецов В.Н. Структура и механические свойства полимера. — М.: Высшая школа, 1979. — 352с.

