Учебное пособие: Фуллерены. Синтез, методы получения
Фуллерены.
Синтез, методы получения.
Сысун Валерий Иванович
1. Общие свойства
2. Кластерная структура углеродного газа. Пути образования фуллеренов
3. Экспериментальные методы получения фуллеренов
3.1. Лазерные испарения графита[15],[16] [1]
3.2.Термическое испарение графита [17],[18],[1]
3.3. Дуговой контактный разряд.[19],[1]
3.4. Совершенствование дугового метода
3.5. Сжигание и пиролиз углеродосодержащих соединений
3.6. Выводы
4. Заключение. Задачи исследования
Литература
Исследование, описанное в данной публикации,
стало возможным благодаря гранту № PZ-013-02
Американского фонда гражданских исследований и развития независимых государств пост-советского пространства (АФГИР)
Петрозаводск
2002
Фуллерены — сферические полые кластеры углерода с числом атомов n=30-120. Известны получаемые в достаточно больших количествах С60 ,C70 ,C76 и другие. Наиболее устойчивую форму имеет С60, сферическая полая структура которого состоит из 20 шестиугольников и 12 пятиугольников. По данным рентгеноструктур-ного анализа средний диаметр сферы –0,714 нм [1]. Внутренняя связь в фуллерене между атомами больше чем внешняя, поэтому фуллерены образуют твердое тело при конденсации с сохранением своей внутренней структуры (фуллерит) с плотностью 1,65 гр/см3 .
Потенциал ионизации фуллерена –7,6 эв, сродство к электрону- 2,6-2,8 эв. Энергия диссоциации с отрывом С2 и образованием С58 -4,6 эв [2].
Таблица 1.Термодинамические свойства С60 в состоянии идеального газа при P=101325 Па, 1кДж/моль=1,03*10-2 эв/молекулу.
T, К | Энтропия S0 Дж/К*моль | Теплоёмкость С0p Дж/К*моль | Энтальпия отн. графита sf H0 КДж/моль | (H- H0 )/T Дж/К*моль |
300 | 547 | 502.6 | 2530 | 197.8 |
400 | 720.4 | 706.3 | 2529.4 | 300.3 |
500 | 896.4 | 870.2 | 2528.9 | 398.6 |
600 | 1066.7 | 996.1 | 2527.8 | 488.1 |
700 | 1227.8 | 1091.3 | 2526.1 | 567.8 |
800 | 1378.4 | 1163.3 | 2523.7 | 638.0 |
900 | 1518.7 | 1218.3 | 2520.8 | 699.5 |
1000 | 1649.4 | 1260.9 | 2517.5 | 753.6 |
1200 | 1885.0 | 1320.9 | 2509.4 | 843.6 |
1400 | 2091.7 | 1359.8 | 2499.4 | 914.7 |
1750 | 2400 | 1400.9 | 2477.1 | 1008.3 |
2000 | 2588.4 | 1418.9 | 2456.7 | 1058.5 |
2500 | 2907.6 | 1441.5 | 2406.5 | 1133.1 |
3000 | 3171.8 | 1456.2 | 2350.4 | 1185.8 |
Энтальпия сублимации С60: ssub H0298.15 =183.7кДж/моль, поэтому энтальпия образования из графита в твердую фазу меньше sf H0=2346 КДж/моль при T=298.15.Давление насыщенного пара С60: lnP (кПа)=19,07-21078/ T при T=730-990К. (При T=800К p=0.2 Па, при Т=1000К p=100 Па, при Т=1100К р=1000Па.)
Фуллерен С70 сохраняется в твердом состоянии до больших температур ssub H0298.15 =200.3 кДж/моль. Энтальпия образования в газовой среде sf H0=2755 кДж/моль, давление насыщеных паров С70: lnP (кПа)=19,3-22835/ T (при Т=1100К р=200 Па).
Таким образом, собирающая фуллерены поверхность должна иметь Т<800 К для С60 и Т<900 К для С70. Наоборот для недопущения конденсации необходимы температуры поверхности Т>1100 К для С60 и Т>1200 К для С70 .
Устойчивость С60 к молекулярному распаду исследовалась в работе [3]. Молекула С60 сохраняет свою термическую стабильность до 1700 К, При больших температурах она медленно распадается. Константа скорости распада при Т=1720 К равна nр =10 с-1, при Т=1970К -nр =300 с-1 .
Следовательно, температура в реакторе для синтеза С60 должна быть в пределах 1600-1700К для предотвращения распада С60 и, в тоже время, для подержания возможных разложений и превращений других больших кластеров с n>60.
Устойчивость фуллеренов подтверждают и другие исследования. Как показано в обзоре[1], столкновения заряженных С±60, С±70, С±84 c энергией до 350 эв с поверхностью очищенного графита и кремния приводит к их зеркальному отражению без разрушения, но с потерей кинетической энергии до 10-20 эв. Столкновения ионов С2+60 с атомами Xe приводит к их разрушению только при энергии >1кэв. Столкновение С+60 с молекулой О2 с энергией 7-8 кэв приводит к разрушению структуры С60, но не во всех случаях. Наблюдалась также дополнительная ионизация до С4+60 без фрагментации. С другой стороны, взаимодействие с кислородом уже при Т>500 К приводит к интенсивному окислению с образованием СО и СО2, это не допускает нагрев фуллеренов выше комнатной температуры на открытом воздухе, окисление С60 может происходить в слабой форме и при комнатной температуре при облучении фотонами 0,5-5 эв и более, поэтому С60 необходимо хранить в темноте.
Вследствие электроотрицательности (то есть сродства к электрону) С60 образует С60 Н36, C60 F36, C70 F44 без разрушения. Наблюдался также фотодиссоционный распад С60 (чаще всего с отщеплением молекулы С2 ) при облучении Xe-Cl лазером с l=308 нм. Распад происходит в результате поглощения ~10 квантов излучения с преобразованием энергии квантов в энергию молекулярных колебаний.
Из газокинетических параметров отметим приведенные в [1] измерения подвижности углеродных кластеров в He, приведённые к нормальным условиям. Пересчёт на коэффициент диффузии производится по соотношению Эйнштейна К/ D = e / kT или K =D*1.16*104 T -1, где К-подвижность, см2 /в*с, D-коэффициент диффузии, см2 /с, Т-температура в К. Значения подвижности показывают на близость сечения столкновений к газокинетическим, определяемым сечением сфер для фуллеренов и близким к круговым сечениям вращающихся колец и линейных кластеров, чуть немного меньше их.

рис.1.Зависимость подвижности кластеров
в He от их размера n [1].Значения подвижности приведены к нормальным условиям. 1-лин.,2-кольца,3-сдвоенные кольца,4-фуллерены.
2. Кластерная структура углеродного газа. Пути образования фуллеренов
Р.Е. Смолли в своей Нобелевской лекции отмечал [4] :”Углеродный пар при Т>1000К в отличии от других элементов состоит из кластерных структур, причём кластеры от С2 до С10 имеют форму линейных цепочек, С15 -С40 –кольца, С28 и более фуллерены.В тоже время могут образовываться cложные объёмные многоатомные структуры. Даже при температурах 3000-4000 0С по ещё довоенным данным …углеродный пар, находящийся в равновесии с твёрдой фазой состоит, преимущественно, из кластеров Сn, среди которых заметное место занимает С15 и выше. То, что нам удалось в действительности открыть, сводится к тому, что если создать из атомов углерода пар и дать ему медленно конденсироваться, поддерживая при этом температуру столь высокой, чтобы растущие промежуточные частицы могли бы делать всё, что природа заложила в них, то один из эффективных реализованных каналов конденсации приведёт к образованию сфероидальных фуллеренов.”
В последние годы появился ряд работ, в которых исследуются различные каналы образования фуллеренов из кластеров с низким числом атомов [5-12].
Первоначально предполагалось, что С60 собирается из оторвавшихся от слоя графита при абляции плоских листков с шестиугольной структурой, сворачивающихся в чашечки – половинки фуллерена С60, которые соединяются с меньшими фрагментами графита в целый фуллерен. Эксперименты по получению С60 при совершенно различных условиях (сгорание бензола, абляция полимеров, высших оксидов углерода и С2 Н2 ) показывают на наличие других путей синтеза С60. Решающий эксперимент, описанный в [5] с локальным внедрением аморфного изотопа С13 в графитовые электроды, показал на однородное смешивание изотопов углерода в образовавшихся фуллеренах. Это указывает на образование фуллеренов из атомов и ионов, хорошо перемешанных в канале дуги или в капельной фазе. Большинство авторов считают, что на начальном этапе из атомов (ионов) образуются линейные цепочки и кольца. На следующем этапе число возможных вариантов синтеза фуллеренов быстро возрастает.
Одна из моделей предлагает последовательное присоединение к кольцу С10 устойчивых объединений С2, что косвенно подтверждается чёткостью номеров образовавшихся устойчивых фуллеренов. На рисунке 2 представлена модель образования С60 и С70 из колец. Три других варианта синтеза фуллеренов показаны на рисунке 3.

Рис.2 Схема образования фуллерена С60 согласно модели “сборки из колец”[5]

Рис.3 Схема роста углеродного кластера, учитывающая следующие этапы: цепочка-кольцо-трёхмерный полициклический кластер-трансформация в фуллерен. Показаны различные возможности образования трёхмерного полициклического кластера: (а)цепочка+кольцо –трёхмерный трёхциклический кластер-трёхмерный полициклический кластер;(б) два кольца-плоский бициклический кластер-трёхмерный полициклический кластер;(в) три кольца – плоский трёхциклический кластер-трёхмерный полициклический кластер[5].
Авторы обзора [5] наиболее вероятным и распространнёным способом образования фуллеренов считают предварительное образование больших жидких капельных углеродных кластеров (за счёт слипания меньших кластеров ). Затем эти кластеры кристаллизуются в фуллерены с испусканием атомов и микрокластеров. Образованием жидкой фазы авторы[5] объясняют и смешивание С12 и С13 перед последующей кристаллизацией в фуллерены, и образование металлофуллеренов, и более позднее образование фуллеренов с n=30-40 (мёртвая область ) так как кластеры с n=30-40, имеющую меньшую энергию связи, приходящую на один атом, а следовательно, и меньшую температуру кристаллизации, позднее кристаллизуются в фуллерены при остывании плазмы, и у них больше времени для сливания в кластеры. В качестве зародышей кристаллизации предполагаются незамкнутые кластеры С20 (пятиугольник, окружённый шестиугольниками в виде загнутого листа). Лишние атомы (при нечётном их общем числе) или микрокластеры испускаются при кристаллизации. При кристаллизации могут образовываться фуллерены с дефектами, которые впоследствии устраняются в результате поглощения и испускания микрокластеров и переходов фуллеренов друг в друга с испусканием и поглощением вставок С2 и простого распада на два фуллерена.
В работе[6] рассмотрена кинетика образования углеродных кластеров в графитовой дуге по мере расширения веерной струи. На начальном радиусе плазменного канала принималось, что плазма состоит только из атомов углерода, хотя проверялось, что даже 25% наличие С2 на результаты дальнейшей кинетики не влияет. Применялась простая модель полного прилипания кластеров друг к другу без обратных реакций разрушения. Для кластеров С60, С70, С74, С84 и С120 коэффициент прилипания принимался P=0 или P=0.2. Система уравнений кинетики для 1£n£120 принималась в виде:
, где n' =n/2 для чётного n и n' =(n-1)/2 для нечётного n,
,Nc –полная концентрация атомов углеродов, V-скорость потока. Для веерного потока считалось, что Nc и V одновременно уменьшаются как
, так что их отношение постоянно и равно начальному. Константы скоростей реакций Ki,j между кластерами выражались через сечение столкновений si,j:
где
— тепловая скорость атома углерода, Pi,j =1, кроме i и j равным 60,70,76,84,120, где оно принималось 0 или 0,2. Сечение взаимодействия принималось в виде si,j =p*(Ri +Rj )2, где для номеров кластеров до 30 они принимались как кольцевые с Rn =
, где dc =1.55*Å-диаметр атома углерода. При n³30 кластеры считались объёмными с
. Применение такой методики расчёта сечения для столкновения кластеров углерода с атомами гелия согласуется с измерением подвижности (рис.1). На рисунке 4 приведены функции распределения углеродных кластеров по размерам на трёх безразмерных расстояниях
. На рис.5 показаны выход фуллеренов при различных коэффициентах прилипания к ним.
Рис. 4 Функция распределения углеродных кластеров по размерам на безразмерных расстояниях. x=25(1),50(2),100(3) |
Рис. 5. Выход фуллеренов Y60 (X) при реакционных способностях P=0(1),1(2),0.2(3). Экспериментальные данные зависимость от давления гелия [7]. |
Fig. 5б. The temperature dependence of C60,70 mass yield for ν=1014 s-1 and values of C60: 1019, 1018, 1017, 1016, 1015 and 1014 sm-3 . |
На рисунке 5б приведены результаты аналогичного расчёта Александрова и Швегерта, но в предположении постоянства концентрации и температуры, и реакционной способности для фуллеренов С60, С70 и некоторых других Р=0.05. Показано, что выход фуллеренов повышается при одновременном росте и концентрации и температуры.
Результаты расчётов показывают, что для кластеров п=20-45 наблюдается характерный провал, связанный с аномально высокими значениями эффективных газокинетических сечений циклических кластеров, находящихся во вращательном движении.
Выход фуллеренов С60 и выше растёт с увеличением расстояний x при отсутствии их взаимодействия, но уже при 20% прилипания к ним кластеров он немонотонный с максимумом на определённом x.
Для перевода к реальной координате r необходимо значение скорости газовой струи рассчитывать, как рекомендуют [6], по выражению:
, полученному в предположении равенства газокинетического давления в струе и магнитного давления разрядного тока [13]. Это предположение даёт хорошее согласие с экспериментом для катодной струи с током (0,52-10) кА. Для анодной струи, имеющей большее первоначальное сечение и при низких токах 50-100 А, это предположение заведомо не выполняется. Это же выражение для скорости струи используется и в серии работ Г.А.Дюжева с сотрудниками [7-12], посвящённых моделям образования фуллеренов в плазме дуги. Общая схема преобразования структур в струе от дуги до стенки приведена на рисунке 6.

Рис.6 схема образования фуллереносодержащей сажи.
Плазма на границе дуги состоит из атомов и ионов углерода. С удалением от границы превалируют
, ещё далее образуются линейные цепи и кольца, затем двойные и тройные кольца, которые уже и превращаются в фуллерены и многоатомные кластеры. Далее образуются их ассоциации, нанокластеры и макрочастицы, которые и осаждаются на стенках реактора. С помощью проволочных зондов собирались осаждающиеся структуры на различных расстояниях от оси дуги, взвешивались и исследовались с помощью электронной микроскопии. Также приведён теоретический расчёт составляющих на отдельных этапах. Для ближайшей к дуге области струи в уравнения баланса включены как прямые, так и обратные процессы. Показано, что уже на расстояниях (0,5-1)r0(1.5-3) мм от границы дуги доля заряженных составляющих быстро падает за счёт рекомбинации и струя состоит преимущественно из С2, С3 и все возрастающем числе кластеров С4 и далее с образованием цепочек.
На втором этапе в балансе каждого тока кластеров (цепочки n<10, кольца n>10, двухкольцевые и трёхкольцевые кластеры и далее фуллерены) учитывались лишь кластеры предыдущего типа т.е. не учитывались обратные процессы, т.к. считалось, что концентрация структур с увеличением их сложности быстро падает. Как указывают авторы, это применимо при малом выходе фуллеренов. Температура электронов и общая концентрация углерода принималось обратно пропорциональной радиусу, согласно теории турбулентной веерной струи. Образование фуллеренов суммировалось по нескольким возможным путям с различными промежуточными структурами. Варьировались температура электронов, концентрация углерода и скорость потока на входе струи. Результаты приведены на рис. 7,8,9.
Наиболее вероятными начальными параметрами авторы считают Te ~0.7-0.8 эВ, N»1017 см-3, V0»4*103 см/с. Однако измеренный в экспериментальных работах этой же группой общий поток углерода
даёт
, что в 5-6 раз меньше. Вероятно, реальная струя не однородна, имеет участки с повышенной концентрацией, не зря используется вращение анода.

Рис. 7. Зависимость “выхода фуллеренов “от начальной скорости.T=0.7eV,N0=1017 cm-3 . | Рис. 8. Зависимость “выходов фуллеренов” от температуры газа (гелия) на входе струи. N0=1017 cm3 ,V0=4*103 cm/s. |

Общий вывод расчётов: выход фуллеренов возрастает с ростом концентрации углерода и уменьшением скорости струи. Можно предложить третий вариант устранения или уменьшения расширения струи и скорости спада температуры, что требует изменение геометрии дугового устройства. Спад температуры можно также уменьшить увеличением температуры окружающего газа и температуры стенки, а отбор фуллеренов производить на холодных поверхностях
Рис.9. Зависимость “выхода фуллеренов” от концентрации углерода на входе струи T=0.7eV, V0=4*103 cm/s, m/t=1.5*10-3 г/с | вдалеке от дуги, а лучше вне реактора. Наиболее оптимальной температурой трансформации кольцевых кластеров в фуллерены в [10,11] считается Te »0.25эв. |
Роль буферного газа в процессе синтеза фуллеренов точно ещё не установлена. Первоначально предполагалось, что буферный газ охлаждает фрагменты графита т.к. в возбуждённом состоянии они не собираются в стабильные наноструктуры и уносит избыток энергии, выделяемой при соединении фрагментов. Авторы обзора [5] считают, что буферный газ препятствует разлёту углеродной плазмы и т.о. поддерживает условия для реакций поглощения и испускания С2. Однако большое давление буферного газа приводит к быстрому охлаждению фуллеренов и уменьшению скоростей этих реакций. Кроме того, авторы [5] считают, что буферный газ влияет на кристаллизацию жидких углеродных кластеров.
По мнения Г.А.Дюжева [14] буферный газ определяет образование анодного падения напряжения в дуге и скорость испарения электродов, а с другой стороны – скорость расширяющейся струи и спад в ней концентрации и температуры.
3. Экспериментальные методы получения фуллеренов
3.1. Лазерные испарения графита[15],[16] [1]

рис.10
Схема эксперимента показана на рис.10. Гелий подавался импульсами на время »10-3 с. Лазер включался в середине времени истока гелия l=532 нм, t=5нс, 30-40 мДж. Испаряющий материал захватывается потоком гелия, смешивается и охлаждается и затем конденсируется в кластеры. Степень кластеризации могла варьироваться изменением давления газа, моментом включения лазерного импульса, а также длиной и геометрией канала. Иногда в конце канала устанавливалась интегрирующая чаша, увеличивающая время кластеризации перед началом сверхзвукового расширения. Затем часть потока отбиралась в масс-спектрометр (ионизация Ar-F лазер 193нм). Пик С60 становится более заметным, когда большее время остаётся для высокотемпературных (при комнатной температуре и выше) столкновений между кластерами. При повышенном давлении гелия вблизи С60 появляются заметные пики кластеров от С30 до С60, а сам пик С60 менее заметен. Общее содержание фуллеренов мало и достаточно только для надёжной регистрации. Здесь мало количества испаряемого графита и происходит его слишком быстрое охлаждение потоком холодного газа.
| |
Fig.3. Time-of –flight mass spectra of carbon clusters prepared by laser vaporization of graphite and cooled is a supersonic beam. Ionization was effected by direct one-photon excitation with an ArF excimer laser (6.4ev, 1mJ cm-2 ). The three spectra shown differ in the extent of helium collisions occurring in the supersonic nozzle. In c, the effective helium density over the graphite target was less than 10 torr- the observed cluster distribution here is believed to be primary vaporization process. The spectrum in b was obtained when roughly 760 torr helium was present over the graphite target at the time of laser vaporization. The enhancement of C60 and C70 is believed to be due to gas-phase reactions at these higher clustering conditions. The spectrum in a was obtained by maximizing these cluster thermalization and cluster-cluster reaction in the “integration cup” shown Fig.2. The concentration of cluster species in the especially stable C60 form is the prime experimental observation of this study. | Fig.3. Carbon positive cluster-ion signal for (a) exfoliated graphite (Grafoil) vaporized directly into a low-density helium expansion, (b) Grafoil vaporized into a high-density helium expansion, and (c) Graphoil vaporized into a growth channel. |
3.2.Термическое испарение графита [17],[18],[1]
Производился оммический нагрев графитового стержня в гелии р=100 торр. Углеродный конденсат собирался на стеклянный диск. Чёрная пудра затем соскабливалась с диска в воздухе, закладывалась в небольшую ячейку из нержавеющей стали с соплом диаметром 2 мм. Ячейка помещалась в камеру с давлением 10-5 торр и нагревалась. При Т=500-600 0С из сопла истекали частички, которые собирались на тонкую вольфрамовую ленту и образовывали слой в несколько мкм. Масс-спектр этих частичек исследовался с помощью поверхностного испарения KrF лазером 60 мкДж. Это вызывало десорбцию с поверхности ленты. Затем производилась ионизация Ar-F-лазером 200 мкДж и масс-спектрометрия. В качестве буферного газа использовался аргон. Фуллерены могли образовываться как при термическом испарении в гелии, так и при лазерном испарении слоя сажи на вольфрамовой ленте в аргоне.
Более производительный способ –соскобленная чёрая пудра заливалась бензолом. После просушивания суспензии образуется тёмнокоричневый (или почти чёрный) материал. Вместо бензола можно использовать также CS2 ,CCl4. Использование суспензии приводит к значительному увеличению относительного выхода С60. Распыление слоя конденсата производилось облучением пучком ионов Ar+, с энергией 5кэв, либо лазерным либо электронным облучением. Производительность С60 до 1г в сутки. По-видимому, бензол растворяет фуллерены из всего объёма, а после высушивания бензола фуллерены оказываются на поверхности частичек сажи, что повышало их выход при облучении.
3.3. Дуговой контактный разряд.[19],[1]

Схема эксперимента показана на рис. 11.Один электрод — плоский диск, второй- заточенный стержень диаметром 6 мм, слегка прижимаемый к первому электроду с помощью пружины. Собирающая поверхность — медный водоохлаждаемый цилиндр диаметром 8 см, длиной 15см. Буферный газ — гелий под давлением 100 торр. Через электроды пропускался переменный ток f=60 гц, I=100¸200 А, U=10¸20 В.
Испарение графита при оптимально слабом прижиме электродов – 10 грамм в час, получение фуллеренов- 1 гр в час С60 /С70 =10/1. Через несколько часов сажа соскабливалась и в течение 3 часов находилась в кипящем толуоле.
Рис.11. Схема установки по производству С60 в граммовых количествах [19] 1- графитовые электроды; 2-охлаждаемая водой медная шина; 3- охлаждаемая водой поверхность, на которой осаждается угольный конденсат; 4-пружины. | Полученная тёмнобурая жидкость выпаривалась во вращающемся испарителе. Преимущественно С60 получался при обоих остро отточенных электродах I=100¸180 А, U=5¸8 В, PHe =180 торр, но содержание фуллерена ниже ~ 50мгр/час. Сама дуга и образовывающие струи не исследовались, Можно предположить слишком быстрое расширение |
продуктов эрозии и быстрое расширение продуктов эрозии и быстрое охлаждение практически холодным, за счёт близко расположенного охлаждаемого сборника, газом, что ограничивает выход фуллеренов £10%.
3.4. Совершенствование дугового метода
Совершенствование дугового метода не изменяя его принципиального содержания заключалось в оптимизации межэлектродного расстояния, давления и рода буферного газа, диаметра охлаждаемого сборника сажи, силы разрядного тока, некоторого изменения диаметра электродов, конструкции их подачи и охлаждения, придания им вращения и т.д.
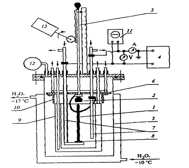
Наиболее это подробно описано в работах Дюжева с сотрудниками (установка ФТИ им.Иоффе.)[14,20-24]

рис.12
Типовая экспериментальная установка показана на рис.12.Оба угольных электрода имели диаметр 6 или 10 мм, подводы к ним охлаждались водой. Анод(4) медленно вращался и перемещался вдоль оси для поддержания заданного межэлектродного расстояния. Медный сборник сажи имел диаметр 52 мм (варианты 30 и 96 мм) и охлаждался водой. Перед напуском рабочего газа производилось обезгаживание электродов пропусканием через них токов 70¸100А при их закорачивании. Собранная со сборника после сеанса горения сажа смешивалась с толуолом при комнатной температуре. Характерное окрашивание раствора появляется уже через несколько секунд, примерно через 1 час концентрация фуллеренов в растворе практически перестаёт увеличиваться, дальнейшая экстракция добавляет менее 1%. Затем толуол выпаривался и экстрат фуллеренов взвешивался. Полученные фуллерены анализировались в масс-спектрометре при нагреве до 300¸400 0С. При увеличении температуры испарения наблюдался выход более тяжёлых кластеров. Для быстрого анализа использовалось поглощение света в растворе без его взвешивания в видимой (для С70 )и ультрафиолетовой (для С60 ) области. Максимальный выход фуллеренов достигал 7*10-4 г/с»2,5 г/час. На рис. 13-17 приведены результаты оптимизации дуги.
Зависимость выхода фуллеренов от давления газа (рис.13) носит сложный характер с двумя максимумами. При низких давлениях р<50 торр с уменьшением давления выход быстро уменьшается из-за увеличения скорости струи и уменьшением времени пролёта углеродного пара до стенки. При больших давлениях Р>500 торр выход снижается с ростом давления из-за уменьшения диффузионной скорости реакций между кластерами. В промежуточной области происходит конкуренция обеих причин, кроме того, добавляется сложная зависимость для теплопередачи. Необходимые высокие давления неона и аргона авторы объясняют условиями образования анодного пятна в этих газах, то есть началом эффективной эрозии анода.
Рис.13. Результаты оптимизации фуллереновой дуги по давлению гелия(1-5) и аргона(6).I=80А, d=5мм, 1-∆ma, 2-mc, 3-∆mk; 4,6-α,5-dn/ح,6-аргон. |
Рис 14. Результаты оптимизации фуллереновой дуги по межэлектродному расстоянию. Phe=100тор,I=81-86A,1-∆ma /t, 2-mc /c, 3-mk /t, 4-α. |
Рис.15. Зависимость содержания фуллеренов в саже α от давления газа при различных диаметров сборника фуллереновой сажи Dс. 1-3-гелий, 4-неон, 5-аргон; Dc (в мм) 1,4,5-96, 2-52, 3-30; I, А: 1-3-80, 4-210, 5-200. |
Рис.16. Зависимость скорости эрозии анода ∆ma /ح и содержание фуллеренов в сажи α от тока дуги при различных диаметрах анода Phe=100 торр, Dc =96мм, d=5 мм, Da (в мм ): 1-6, 2-20 |
Малый же выход фуллеренов в аргоне обусловлен характерными для высокого давления неблагоприятными условиями по взаимодиффузии и температурному режиму углеродных кластеров. К сожалению, авторы не предприняли попыток создать анодное пятно и эффективный выход углерода в плазму при пониженных давлениях аргона ( например сильно уменьшая диаметр анода с целью повышения плотности тока).
Добавка к гелию азота (~10%), водорода и кислорода (~1%) приводила к сильному уменьшению выхода фуллеренов.
Оптимизация по длине межэлектродого промежутка показала на наличие максимума доли фуллеренов в саже при межэлектродном промежутке 5мм и его стабилизации на несколько пониженном уровне при расстояниях 7-10мм. При малых расстояниях до 5мм с его уменьшением доля фуллеренов падает, но растёт количество осаждаемой сажи вследствие увеличения доли энергии разряда
Рис.17. Зависимость скорости эрозии анода ∆ma /t (a) и содержания фуллеренов в саже a (б) от тока дуги. Dc =96 мм,d=5мм,Da =6мм;1-гелий, РHe =400 торр;2-неон РNe =500 торр,3-аргон, РAr =400 торр. | передаваемой электродам. Уменьшение же доли фуллеренов в саже можно объяснить выбросом из электродов микрочастиц, не успевающих испариться в промежутке. Зависимость выхода |
фуллеренов от тока дуги имеет явный максимум, увеличивающийся по амплитуде и сдвигающийся в область меньших токов при уменьшении диаметра анода. К сожалению не исследовался анод с диаметром <6мм. Уменьшение выхода при больших токах авторы связывают с ростом скорости струи, что не даёт увеличить концентрацию, но уменьшает время пролёта до осаждения. Возможен также перегрев электрода и выход из него пылевой, а не атомной фазы.
Диаметр сборника сажи не влияет на выход фуллеренов при D>50мм, т.к. струя на этих расстояниях уже успевает разредиться и охладиться. При уменьшении диаметра до 30мм выход фуллеренов уменьшается из-за малого времени преобразования кластеров углерода при пролёте к нему.
Интересен специально поставленный эксперимент по определению выхода С60 и С70, высаживаемых на различных расстояниях от дуги [21].Высадка фуллеренов начинается на расстояниях ~12мм и стабилизуется при расстояниях более 30 мм.(рис.18)
Весьма важным является также проверка полярности эрозируемого электрода. При эрозирующем угольном катоде ( за счёт его малого диаметра) и металлическом (медь, молибден) не эрозирующем аноде фуллеренов в саже практически нет. Наоборот, при эрозирующем аноде фуллерены эффективно образуются как при угольном так и при металлическом катоде.
Авторами также проверялось влияние заряженных частиц на процесс образования фуллеренов [22]. В эксперименте (рис.19) углерод испарялся термически с наружной стороны дна графитового стакана, изнутри подогреваемого дугой до 3000 К. Испаряемый материал собирался на охлаждаемый сборник (5) при давлении гелия 70 торр. Содержание фуллеренов в саже было минимальным α~0,1%. При дополнительном зажигании в парах между дном стакана и сборником тлеющего разряда I=10мА количество фуллеренов в саже не изменялось при отрицательном дне стакана (катод) и увеличивался до α~(2¸3)% при положительном стакане. Авторы объясняют эффект следующим: 1)-ионы углерода в его парах способствуют образованию фуллеренов; 2)-при отрицательном источнике паров ионы снова возвращаются на него в электрическом поле катодного падения и их доля вблизи сборника слишком мала.

Рис.18.Зависимость интенсивности ионных токов для различных компонент масс-спектра от расстояния r от оси дуги. 1-кластер С60, m=720 m.a.u.; 2-клпстер С70, m=840 m.a.u.; 3-кластер с m=600 m.a.u.; Результаты работы (4) (z-расстояние от среза горелки); 4-кластер С60, m=720 m.a.u.; 5-кластер С58 H22, m=716m.a.u. На вставке: 1-электроды, 2-сборник сажи, 3-вода.
Рис.19. Конструкция экспериментального макета,1-графитовый стакан, 2-тепловой мостик, 3-водоохлаждаемый токоввод, 4-графитовый стержень, 5-водоохлаждаемый сборник сажи, 6-водоохлаждаемый экран | Результаты рассмотренных работ нашли подтверждение в работах Институте химической физики в Черноголовке[25]. Схема установки представлена на рис.20. Первоначально сбор сажи осуществлялся на наружный водоохлаждаемый цилиндр из нержавеющей стали диаметром 180мм. Графитовые анод и катод имели, соответственно, размеры 6 и 12 мм. Межэлектродное расстояние ~4мм. Оптимизация по давлению гелия и току приведена на рис.21,22. |

Рис.20. Установка для получения фуллереносодержащей сажи: 1-испаряемый графитовый электрод; 2-неиспаряемый графитовый электрод (катод); 3-основная ёмкость; 4-источник питания дуги; 5-стержень из нержавеющей стали; 6-охлаждаемый медный экран; 7-токовводы; 8-графитовое кольцо; 9-дополнительный охлаждаемый сосуд; 10-дополнительный медный экран: 11-осциллограф; 12-вакуумметр; 13-двигатель РД-09.
Рис.21. Зависимость выхода фуллеренов от давления гелия :a- постоянный ток, b-переменный ток |
|
Рис.22. Зависимость выхода фуллеренов от тока дуги: a-постоянный ток ;b-переменный ток.
В оптимальных режимах выход фуллеренов достигал 10-12%. При охлаждении сборника жидким азотом выход фуллеренов увеличивался в ~1,4 раза за счёт снижения температуры верхних слоёв сажи, в наибольшей степени подвергающихся нагреву излучением дуги. Установкой дополнительного, охлаждаемого водой цилиндра, (9) диаметром 110 м, длиной более 200 мм и применением подвижного расходуемого анода, когда дуга перемещается вдоль сборника сажи, создавая тонкий равномерный слой со слабым облучением от дуги (из-за острого, также позволило повысить выход фуллеренов до 16,8% Затенение внешнего цилиндра (3) используемой вместо цилиндра витой спиралью (9) с прорезями позволило повысить выход фуллеренов с цилиндра (3) до 24,3%. Авторы делают вывод о снижении выхода фуллеренов под действием излучения дуги в процессе осаждения сажи и при толстом плохо теплопроводном слое сажи за счёт нагрева её поверхности.
3.5. Сжигание и пиролиз углеродосодержащих соединений
В ряде работ, указанных в обзорах [1] кластеры углерода С50, С60, С70 и др. обнаруживались в пламенах органических соединений. Сжигался бензол С6 Н6 и ацетилен С2 Н2, подаваемый в смеси с кислородом через сверх звуковое сопло диаметром 0,8мм в откачиваемую камеру с р~10-3 торр. Продукты сгорания отбирались с помощью кварцевых зондов на различных расстояниях от среза горелки и исследовались в масс-спектрометре. Распределение отрицательных и положительных кластеров по массе показано на рис.23,24.
Расстояние, мм рис.23. Зависимость концентрации отрицательных заряженных кластерных ионов углерода от расстояния от края горелки в пламени бензола |
Рис.24.Масс-спектр положительных кластерных ионов углерода, полученный в пламени бензола с отношением (С)/(О)=0,76 при скорости подачи топлива в горелку 42 см/с, при отборе газа на расстоянии 15 мм от края горелки. |
Концентрация кластеров в пламени достигала 108 см-3 при температуре 2100 К. Повышение температуры на 200 К приводило к существенному снижению концентрации С60+. Пламя ацетилена было богаче более крупными кластерами, чем пламя бензола.
В работах [26] исследовались продукты пиролиза бурого угля при Т=370-500 0С и давлением водорода ~100 атм. в течение 2,5 часов. После удаления летучих фрагментов при Т=4000С в камере пониженного давления получалась жидкокристаллическая смолистая метафаза 92,7%С и 4,8%H, 1%N, 1.5 %O. При лазерном облучении метафазы образовывалась летучая фракция 60-100% С60, где количество С60 определялось сортом и давлением буферного газа Ar,H2 ,CH4, C6 H6 .
В работе [27] исследовался продукт пиролиза нафталина С10 Н6 в кремниевой трубе, нагретой с помощью пропановой горелки до Т»1300К. В продукте пиролиза содержался ~1% C60 и все промежуточные кластеры образования С60 из С10 –двойное ароматическое кольцо.
Проведённое рассмотрение показывает, что наиболее дешёвым и производительным является осаждение фуллеренов из плазмы дуговых разрядов. При этом среднее содержание фуллеренов в осадке составляет ~15¸16%. Имеются соображения [28] об эффективном получении фуллеренов в том числе в плазмотроне с плазменным соплом 0,75м килогерцового диапазона Г. Чуриловым в Красноярском научном центре (институт физики). К сожалению. не указаны конкретные параметры установки.
К настоящему времени дуговой метод получения фуллеренов оптимизирован по внешним параметрам : давлению газа, тока разряда, расстоянию до сборника сажи, оставаясь неизменным по схеме и сути : два стержневых графитовых стержня диаметром ~6м, с малым межэлектродным расстоянием. Сама свободная дуга с быстро расширяющейся и охлаждающейся струёй, с конвективными потоками даёт мало возможности для регулирования в широких пределах параметров плазменной среды, в которой синтезируются фуллерены.
В последних работах на конференции “Углерод: фундаментальные проблемы науки, материаловедения, технологии”, октябрь 2002 г. речь идёт только о технологической доводке процесса. В[29] (институт физики, Черноголовка) исследуется влиянии чистоты графитовых электродов. Содержание фуллеренов в саже увеличивается со степенью чистоты графита. Для графитов с примесью 4% (ГС), 8*10-4 (СЭ), 2*10-4 (СЭУ) содержание фуллеренов было соответственно, 8,16 и 17%.
В [30] (институт металлоорганической химии, Нижний Новгород) создана автоматизированная установка с загрузкой до 70 графитовых стержне, производительностью 500 граммов смеси фуллеренов, в саже содержалось ~7% фуллеренов.
4. Заключение. Задачи исследования
Фуллерены имеют многие перспективные области применения. Сдерживающим фактором является их цена, которая может быть существенно снижена за счёт повышения выхода фуллеренов с 15% до 70-90%, обеспечивающем технологическое применение без дорогой операции очистки фуллеренов растворением их и перегонкой растворителя. Достаточно сказать, что предельная растворимость фуллеренов С60, С70 в бензоле составляет 1,5 г/литр, а в толуоле ~2,5 г/литр. Существенное удешевление также дала бы замена гелия аргоном или более дешёвым газом.
Необходимо переконструирование самого разряда, обеспечивая следующее:
1. Регулированное увеличение концентрации углерода в фуллеренообразующей среде.
2. Независимое регулирование увеличения времени нахождения углерода в среде при Т~2500¸1500 К, для чего снизить скорость потока среды, сделать поток слабо расширяющимся, или не расширяющимся, существенно увеличить длину пути потока.
3. Высадку фуллеренов вынести из возможного температурного и лучевого действия разряда.
4. Требуется теоретическое рассмотрение синтеза фуллеренов в рассматриваемых условиях с учётом обратных процессов.
1. А.В.Елецкий, Б.М.Смирнов “Фуллерены”, УФН, 1993, т.163,№2, с.33-60; “Фуллерены и структуры углерода”, УФН, т.165,№9,1995, с.977.
2. В.В. Дикий, Г.Я.Кабо “Успехи химии”,69(2),2000, с.107-117.
3. Kolodney E.,Tsipinyuk B., Budrevich A. “J.Chem.Phys”.100,8542, г.1994.
4. Р.Е.Смолли, УФН, Т.168,№3,1998, С.321-329.
5. Ю.Е. Лозовик, А.М. Попов «Образование и рост углеродных наноструктур-фуллеренов, наночастиц, нанотрубок и конусов.», УФН, т.167."№7,1997, с. 751-774.
6. О.А. Нерушев, Г.И.Сухинин «Кинетика образования фуллеренов при электродуговом испарении графита ». ЖТФ,1997, т 67,№2, с 41-42.;A.L.Alexandrov, V.A.Schweigert “A kinetic model of carbon growth including pelycyclie rings and fullerence formation. Physics letters ”, 1996,v.263,551-558.
7. Н.И.Алексеев, Г.А.Дюжев" Образование фуллеренов в плазме газового разряда" ЖТФ, 1999, т.69, вып.9, с.104-109, ЖТФ 1999г., т. 69, вып.12, с.42-47.
8. О.П. Горелик, Г.А. Дюжев, Д.В. Новиков и др. «Кластерная структура частиц фуллереносодержащей сажи и порошка фуллеренов С60», ЖТФ, 2000г., т.70, вып. 11, с.118-125.
9. Н.И. Алексеев, Г.А. Дюжев «Статистическая модель образования фуллеренов на основе квантово-механических расчетов.» ЖТФ, 2001г., т.71, вып.5, с. 67-70; ЖТФ 2001г., т. 71, вып. 5, с.71-77.
10. Н.И. Алексеев, Г.А. Дюжев, T. Chibante, «О трансформации углеродного пара в газоплазменной струе дугового разряда», ЖТФ, 2001г., т.71, вып. 6, с.122-126.
11. Н.И. Алексеев, Г.А. Дюжев «Кинетика углеродных кластеров в дуговом разряде от атомов к фуллеренам», ЖТФ, 2002г., т. 72, вып. 5, с. 121-128.
12. Н.И. Алексеев, Г.А. Дюжев «Влияние малых кластеров на процесс преобразования двухкольцевого кластера в фуллерен», ЖТФ, 2002г., т. 72, вып. 5, с.130-134.
13. S.RamaKrishanan, A.D.Stokes,I.I.Lowke “An approximate model for high- current free –burning arcs”.J.Appl Phys. Vol 11,1978, ps 2267-2280.
14. Г.А.Дюжев, Н.И.Акимов “Дуговой разряд с испаряющим электродом( почему род буферного газа влияет на процесс образования фуллеренов )”.ЖТФ 2001, т.71, в.10, с.41-47.
15. Р.А. Керл “Истоки открытия фуллеренов: эксперимент и гипотеза” (нобелевские лекции по химии –1996) УФН, т.168,№3, с.331-342,1998.H.W.Kroto, at all “C60 –buckminster fullerene”.Nature, vol. 318, 1985,p. 162-163.
16. Y.A.Yang, P/Xia, Al. JunKin, L.A.Bloowfield ”Direct Ejection of clusters from Noumentallic solids during laser vaporization ”, Physical peviev letters,1991,v66, #9 p.1205-1208.
17. Meijer G. J. Chem. Phys., 1990 v93,p 7800.
18. Kratschmer W. Et.ab. Chem. Phys.Let.,1990, v.1970, p.167.
19. Haufler R.E. ?? J.Phys.Chem.1990,v94,p8694.
20. Д.Афанасьев, И.Блинов, А. Богданов, Г.Дюжев, В.Каратаев, А.Кругликов. ”Образование фуллеренов в дуговом разряде”, ЖТФ, 1994, т.64, вып. 10, с.76-90;: ЖТФ 1997, т.67 №2 с.125-128
21. Г.А.Дюжев, В.И.Каратаев “Где в дуговом разряде образуется фуллерены ?”. ФТТ,1994, т.36, №9, с.2795-2798.
22. Ф.В.Афанасьев, Г.А.Дюжев, В.И.Каратаев “Влияние зарряженных частиц на процесс образования фуллеренов”, Письма в ЖТФ,1999, т.25, вып.5, с. 35-40.
23. Ф.В.Афанасьев, А.А.Богданов, Д.Дайлингер, Г.А.Дюжев, В.И.Каратаев, А.А.Кругликов. ”Образование фуллеренов в присутствии водорода и кислорода”, ЖТФ, 1999, т.69, вып.12, с.48-51.
24. Ф.В.Афанасьев, Г.А.Дюжев, А.А.Кругликов “Потоки углерода из дугового разряда в режимах, оптимальных для получения фуллеренов. ”, ЖТФ, 2001, т.71, вып.5, с.134-135.
25. В.П.Бубнов, И.С. Краинский, Е.Э.Лаухина, Э.Б.Ягубский “Получение сажи с высоким содержанием фуллеренов С60, С70 методом электрической дуги”. Известия Академия наук. Серия химическая, 1994 г. №5, с.805-808.
26. Dance I.G. J. Phys, Chem. 1991, v.95, p.8425.
27. Taulor R.”Nature”,1993, т.366, с.726
28. Ю.Машуков “Когда жив “дух физики“, идеи витают в воздухе”, ”Наука в Сибири”.
29. Муродян В.Е., Кадыров Д.И, Дербенев В.А,”Использование специальных углеграфитовых электродов с различной степенью очистки для получения фуллеренов”, Сборник тезисов докладов первой Международной конференции “Углерод: фундаментальные проблемы науки материаловедение, технологии”. Москва, 2002 г. с.151.
30. Каверин Б.С., Каркацевич В.Я., Кириллов А.И. ”Новая автоматизированная установка для получения фуллереносодержащей сажи ”, там же на с.105; Каркацевич Б.Я. и др. “Оптимизации техрологического процесса получения чистых С60, С70”.там же на с.108.













